EasyManua.ls Logo

BFT MITTO 2 - Page 10

BFT MITTO 2
Print Icon
To Next Page IconTo Next Page
To Next Page IconTo Next Page
To Previous Page IconTo Previous Page
To Previous Page IconTo Previous Page
Loading...
10
- RTD- Ver. 03
D811347_03
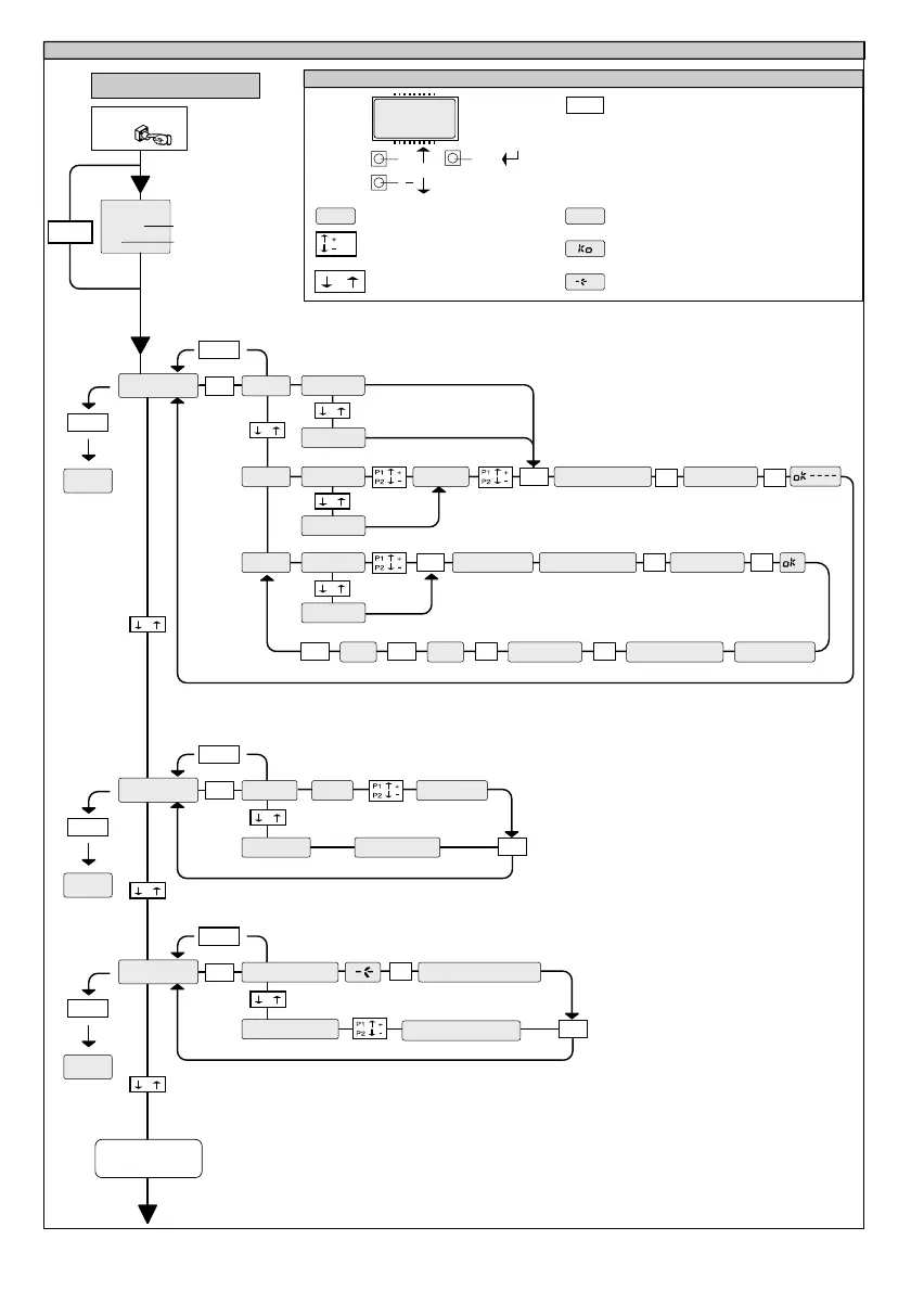
Fig. A
OK
Premere il tasto OK
BFT
RTD1.0
00
Aggiungi
+/-
OK
ACCESSO AI MENU
-
+
-
+
-
+
Versione software
N° radiocomandi
memorizzati
+/-
FINE
aut.
man. pos.
tasto nascosto
LEGENDA
[ 00 ] Valore preimpostato
Incremento/riduzione parametri o
commutazione ON/OFF
Scorrimento menu
(+ = precedente - = successivo)
Messaggio OK! (conferma avvenuta modifica)
PRG
+/-
-
+
/ON
/OFF
Messaggio KO! (errore valore o funzione)
Premere simultaneamente i tasti + e -.
La pressione simultanea dei tasti + e -
consente di uscire dal menu in cui si sta
operando e tornare al precedente, se avviene
al livello principale del menu esce dalla
programmazione e spegne il display.
Le modifiche apportate vengono confermate
solo se seguite dalla pressione di OK.
Messaggio "Attesa" (inserire valore o funzione)
OK
P1
P1
P1
Tx
Tx
Tx
out1 . .4
Blocco out1 . .4
out1 . .4
cancella
+/-
-
+
-
+
-
+
+/-
FINE
codice
POS. t0001 . . .
database conferma
OK
OK
OK
verifica
+/-
-
+
-
+
+/-
FINE
leggi codice
01 t1 . . . 2048 t4
01 t1 . . . 2048 t4
scorri lista
OK
OK
MENU SEGUENTI
FIG. B
tasto deisd.
tasto nascosto
tasto deisd.
tutte
tutte
-
+
tutte
+
OK
8888
primo trasm.
tasto nascosto
tasto deisd.00010100
ultimo trasm.
OK
OK OK
Tx

Related product manuals