EasyManua.ls Logo

BFT MITTO 2 - Page 28

BFT MITTO 2
Print Icon
To Next Page IconTo Next Page
To Next Page IconTo Next Page
To Previous Page IconTo Previous Page
To Previous Page IconTo Previous Page
Loading...
28
- RTD- Ver. 03
D811347_03
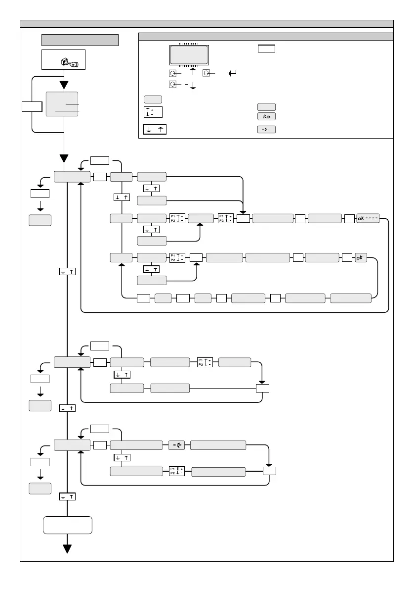
Fig. A
OK
Taste OK drücken
BFT
RTD1.0
00
OK
MENÜZUGRIFF
Software-Versione
Zahl gespeicherte
Fernsteuerungen
LEGENDA
[ 00 ]
Voreinstellungswert
Erhöhung / Verringerung Parameter
oder Umschaltung ON/OFF
Menüdurchlauf
(+ = vorheriges - = nächstes)
Meldung Programmierung läuft
PRG
+/-
-
+
/ON
/OFF
Meldung KO! (Fehler Wert oder Funktion)
Gleichzeitig die Tasten + und - drücken.
Die gleichzeitige Betätigung der Tasten + und -
gestattet das Verlassen des Menüs, mit dem man
gerade arbeitet, und die Rückkehr zum
voranggehenden Menü. Werden die Tasten auf der
Hauptmenüebene gedrückt, verläßt man den
Programmiermodus und das Display wird
ausgeschaltet.
Die vorgenommenen Änderungen werden erst nach
Drücken von OK gespeichert.
Meldung "Warten... "
(Wert oder
Funktion eingeben)
loesche
+/-
-
+
-
+
+/-
ende
codierung
POS. t0001 . . .
database bestaetigen
OK
OK
kontrolle
+/-
-
+
-
+
+/-
ende
codeier lesen
01 t1 . . . 2048 t4
01 t1 . . . 2048 t4
liste durchlauf
OK
OK
FOLGENDE MENÜS
FIG. B
+
OK
8888
zufugen
+/-
-
+
-
+
-
+
+/-
ENDE
aut.
man. pos.
verst. taste
OK
P1
P1
P1
Tx
Tx
Tx
AUS1 . .4
Block
AUS1 . .4
AUS1 . .4
-
+
OK
gevue taste
verst. taste gevue taste
alle
alle
-
+
alle
Erster Send.
verst. tastegevue taste
00010100
Letzter Send.
OK
OK OK

Related product manuals