EasyManua.ls Logo

BFT MITTO 2 - Page 40

BFT MITTO 2
Print Icon
To Next Page IconTo Next Page
To Next Page IconTo Next Page
To Previous Page IconTo Previous Page
To Previous Page IconTo Previous Page
Loading...
40
- RTD- Ver. 03
D811347_03
anadir
+/-
-
+
-
+
-
+
+/-
FINE
aut.
man. pos.
tecla escond.
OK
P1
P1
P1
Tx
Tx
Tx
salida 1 . .4
Bloque
salida 1 . .4
salida 1 . .4
-
+
OK
tecla deseada
tecla escond.
tecla deseada
todas
todas
-
+
todas
Primer trans.
tecla escond.
tecla deseada
00010100
Ultimo trans.
OK
OK OK
Fig. A
OK
Premere il tasto OK
BFT
RTD1.0
00
OK
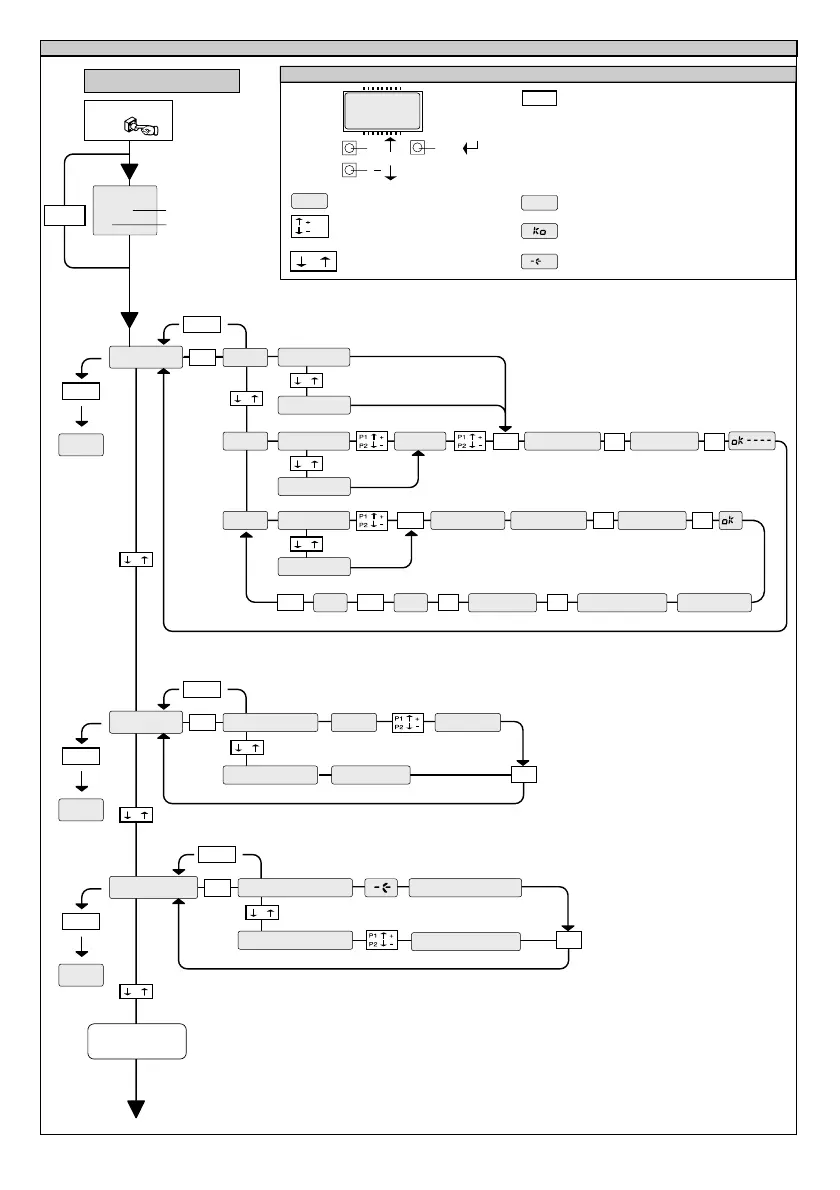
ACESSO AOS MENUS
Versão software
N° radiocomandos
armazenados
LEGENDA
[ 00 ] Valor predefinido
Incremento/diminuição dos
parâmetros ou comutação ON/OFF
Deslocação menu
(+ = precedente - = sucessivo)
Mensagem Programação em curso
PRG
+/-
-
+
/ON
/OFF
Mensagem KO! (erro valor ou função)
Pressionar simultaneamente as teclas + e -.
Pressionando-se ao mesmo tempo as teclas
+ e – pode-se sair do menu em que se está a
operar e voltar para o precedente; se isto
acontece no nível principal do menu sai-se
da programação e desliga-se o visor.
As modificações efectuadas são confirmadas
só se em seguida pressiona-se OK.
Mensagem "Aguardar" (inserir o valor ou
a função)
BOrra
+/-
-
+
-
+
+/-
FINE
codigo
pos . t0001 . . .
base de datos confirma
OK
OK
verificacion
+/-
-
+
-
+
+/-
FINE
leer codigo
01 t1 . . . 2048 t4
01 t1 . . . 2048 t4
consultar lista
OK
OK
MENUS SEGUINTES
FIG. B
+
OK
8888

Related product manuals