EasyManua.ls Logo

BFT MITTO 4 - Page 11

BFT MITTO 4
Print Icon
To Next Page IconTo Next Page
To Next Page IconTo Next Page
To Previous Page IconTo Previous Page
To Previous Page IconTo Previous Page
Loading...
RTD- Ver. 03 -
11
D811347_03
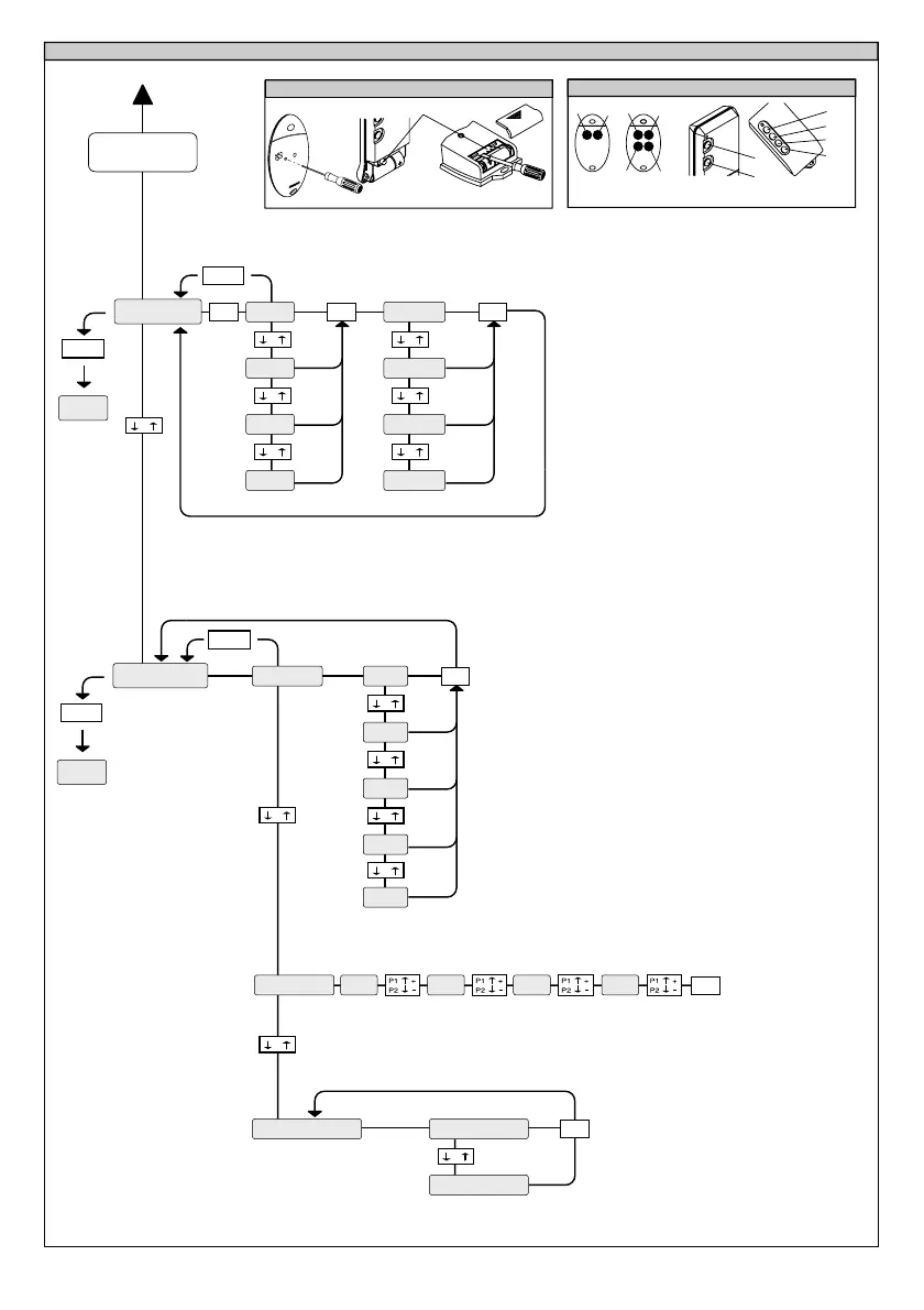
Fig. B
configura RTD
+/-
+/-
FINE
tipo ricevente
MENU
PRECEDENTI
FIG. A
-
+
-
+
lingua
-
+
fra
-
+
deu
ENG
-
+
ESP
-
+
ita
OK
OK
rolling code
-
+
P1
T1
T2
T1
T2
T3
T4
TRC 1-2
TRC 4
FIG. B1A
FIG. B2A
TRC 1-2
TRC 4
MITTO 2-4
T1 T2
T1 T2
T3
T4
P1
cod fisso
USCITE
+/-
-
+
+/-
FINE
-
+
out 2
-
+
out 3
out 4
OK OK
-
+
out1
-
+
bis.
-
+
tem.
antiag.
-
+
mon.
OK
passvord 0--- -0-- --0- ---0
OK