EasyManua.ls Logo

BFT MITTO 4 - Receiver Programming Menu; Output Configuration

BFT MITTO 4
Print Icon
To Next Page IconTo Next Page
To Next Page IconTo Next Page
To Previous Page IconTo Previous Page
To Previous Page IconTo Previous Page
Loading...
RTD- Ver. 03 -
17
D811347_03
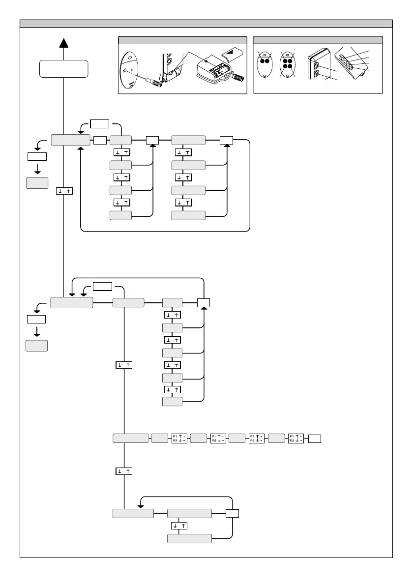
Fig. B
configure RTD
+/-
+/-
END
rec. type
PRECEDING
MENUS FIG. A
-
+
-
+
language
-
+
fra
-
+
deu
ENG
-
+
ESP
-
+
ita
OK
OK
rolling code
-
+
P1
T1
T2
T1
T2
T3
T4
TRC 1-2
TRC 4
FIG. B1A
FIG. B2A
TRC 1-2
TRC 4
MITTO 2-4
T1 T2
T1 T2
T3
T4
P1
codice fisso
output
+/-
-
+
+/-
END
-
+
out 2
-
+
out 3
out 4
OK OK
-
+
out1
-
+
bist
-
+
timed
antipanic
-
+
monos
OK
password 0--- -0-- --0- ---0
OK

Related product manuals