EasyManua.ls Logo

BFT MITTO 4 - Page 22

BFT MITTO 4
Print Icon
To Next Page IconTo Next Page
To Next Page IconTo Next Page
To Previous Page IconTo Previous Page
To Previous Page IconTo Previous Page
Loading...
22
- RTD- Ver. 03
D811347_03
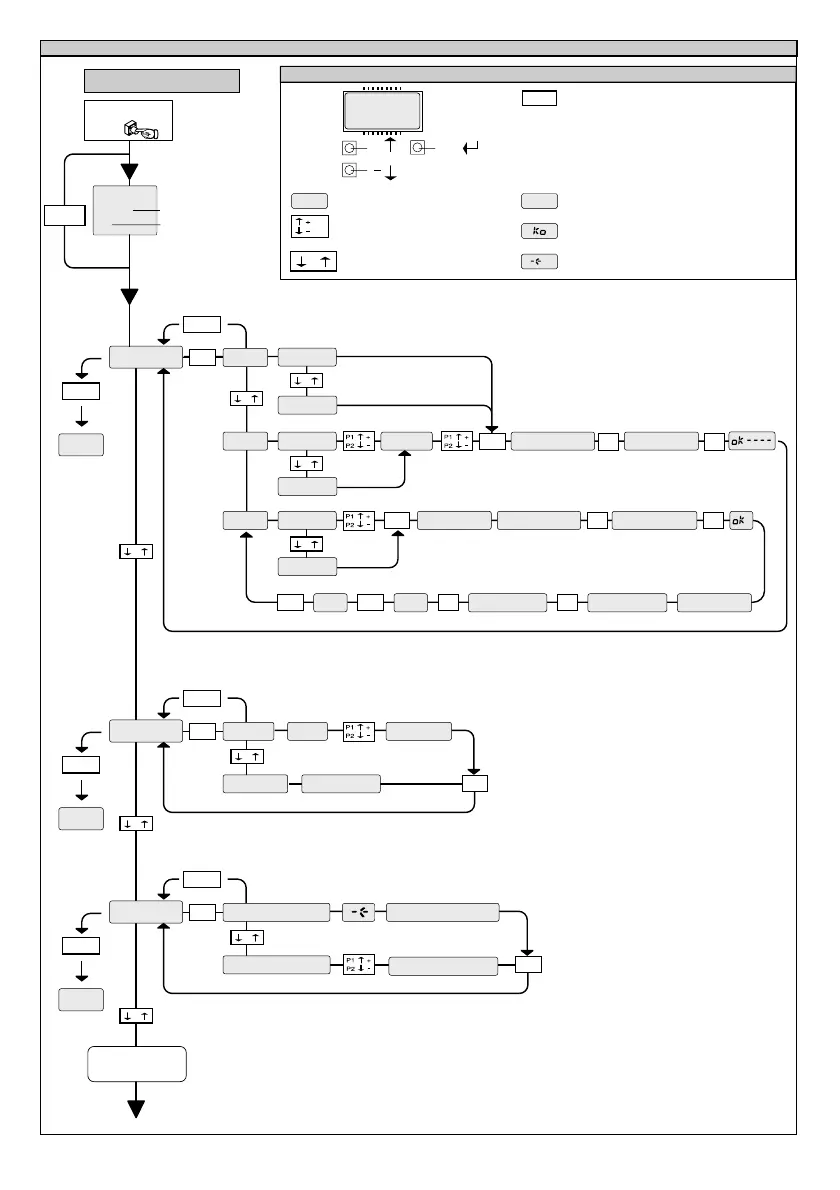
Fig. A
OK
Appuyer sur la
touche OK
BFT
RTD1.0
00
OK
ACCES AUX MENUS
Version logiciel
N° commandes radio
mémorisées
LEGENDA
[ 00 ]
Valeur prédéfinie
Incrément/réduction paramètres ou
commutation ON/OFF
Défilement du menu
(+ = précédent - = suivant)
Message Programmation en cours
PRG
+/-
-
+
/ON
/OFF
Message KO! (erreur de la valeur ou de la
fonction)
Appuyer simultanément sur les touches + et -.
L’appui simultané sur les touches + et –
permet de sortir du menu et de retourner au
menu précédent; si cela a lieu au niveau
principal du menu, on sort de la
programmation et l’écran s’éteint.
Les modifications effectuées ne sont validées
que si elles sont suivies par l’appui de OK.
Message "Attendez s.v.p." (introduire la valeur
ou la fonction)
effacer
+/-
-
+
-
+
+/-
FIN
codes
pos. t0001 . . .
archives confirmer
OK
OK
verifcation
+/-
-
+
-
+
+/-
FIN
lire codes
01 t1 . . . 2048 t4
01 t1 . . . 2048 t4
consulter liste
OK
OK
MENUS SUIVANTS
FIG. B
+
OK
8888
adjouter
+/-
-
+
-
+
-
+
+/-
FIN
aut.
man. pos.
touche cachee
OK
P1
P1
P1
Tx
Tx
Tx
out1 . .4
Bloc
out1 . .4
out1 . .4
-
+
OK
touche desiree
touche cachee
touche desiree
tous
tous
-
+
tous
Premier Em.
touche cachee
touche desiree
00010100
Dernier Em.
OK
OK OK

Related product manuals