EasyManua.ls Logo

BFT MITTO 4 - Page 34

BFT MITTO 4
Print Icon
To Next Page IconTo Next Page
To Next Page IconTo Next Page
To Previous Page IconTo Previous Page
To Previous Page IconTo Previous Page
Loading...
34
- RTD- Ver. 03
D811347_03
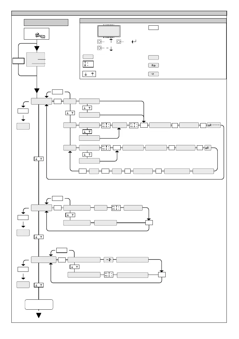
Fig. A
OK
Presione la tecla OK
BFT
RTD1.0
00
OK
ACCESO A LOS MENUS
Versión software
N° de radiomandos
memorizados
LEGENDA
[ 00 ]
Valor predefinido
Incremento/reducción parámetros o
conmutación ON/OFF
Corrimiento menús
(+ = anterior, - = sucesivo)
Mensaje Programación en curso
PRG
+/-
-
+
/ON
/OFF
Mensaje ¡KO! (error valor o función)
Presione simultáneamente las teclas + y -.
La presión simultánea de las teclas + y -
permite salir del menú en el que se está
operando y volver al anterior; si se produce
dentro de los menús principales, se sale de la
programación y se apaga el display. Las
modificaciones aportadas quedan
configuradas únicamente si, a continuación, se
presiona la tecla OK.
Mensaje "Espera" (introducir valor o función)
BOrra
+/-
-
+
-
+
+/-
FINE
codigo
pos . t0001 . . .
base de datos confirma
OK
OK
verificacion
+/-
-
+
-
+
+/-
FINE
leer codigo
01 t1 . . . 2048 t4
01 t1 . . . 2048 t4
consultar lista
OK
OK
MENU SIGUIENTES
FIG. B
+
OK
8888
anadir
+/-
-
+
-
+
-
+
+/-
FINE
aut.
man. pos.
tecla escond.
OK
P1
P1
P1
Tx
Tx
Tx
salida 1 . .4
Bloque
salida 1 . .4
salida 1 . .4
-
+
OK
tecla deseada
tecla escond.
tecla deseada
todas
todas
-
+
todas
Primer trans.
tecla escond.
tecla deseada
00010100
Ultimo trans.
OK
OK OK

Related product manuals