EasyManua.ls Logo

BFT RTD-CA - Page 11

BFT RTD-CA
Print Icon
To Next Page IconTo Next Page
To Next Page IconTo Next Page
To Previous Page IconTo Previous Page
To Previous Page IconTo Previous Page
Loading...
RTD-CA - Ver. 02 -
11
D811373_02
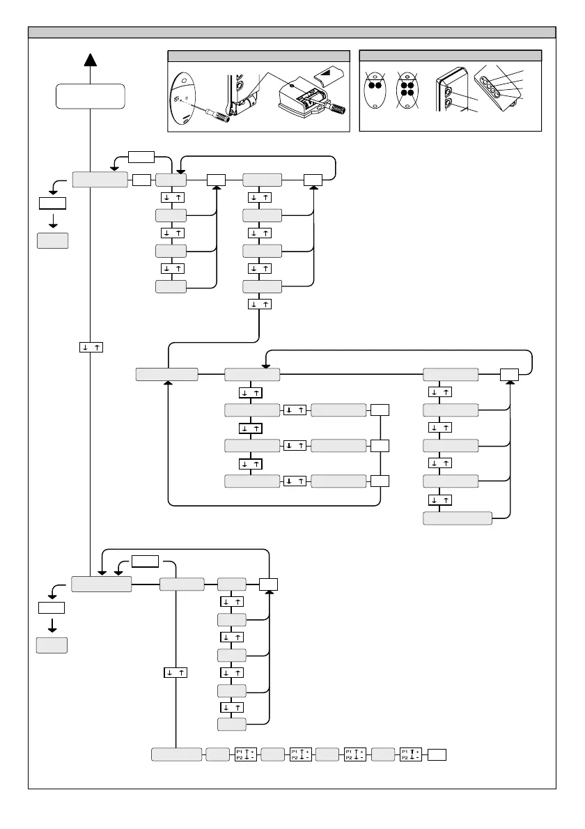
Fig. B
configura RTD
+/-
+/-
FINE
MENU
PRECEDENTI
FIG. A
-
+
lingua
-
+
fra
-
+
deu
ENG
-
+
ESP
-
+
ita
OK
P1
T1
T2
T1
T2
T3
T4
TRC 1-2
TRC 4
FIG. B1A
FIG. B2A
TRC 1-2
TRC 4
MITTO 2-4
T1 T2
T1 T2
T3
T4
P1
passvord 0--- -0-- --0- ---0
OK
USCITE
+/-
-
+
+/-
FINE
-
+
out 2
-
+
out 3
out 4
OK OK
-
+
out1
bista.
-
+
tempo.
antiag.
-
+
-
+
-
+
monos.
OK
contr. acc.
-
+
stand alone
-
+
libero
vietato
-
+
-
+
OK
tipo acc. col. a PC
lett. sistema
-
+
t. porta
-
+
-
+
indirizzo
t. chk porta
-
+
OK
0000 . . . 2500
-
+
OK
0000 . . . 0025
-
+
OK
0000 . . . 0019

Related product manuals