EasyManua.ls Logo

BFT RTD-CA - Page 29

BFT RTD-CA
Print Icon
To Next Page IconTo Next Page
To Next Page IconTo Next Page
To Previous Page IconTo Previous Page
To Previous Page IconTo Previous Page
Loading...
RTD-CA - Ver. 02 -
29
D811373_02
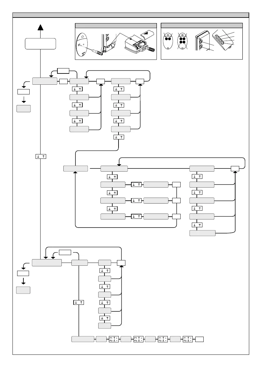
Fig. B
rtd einstellen
+/-
+/-
ende
-
+
srache
-
+
fra
-
+
deu
ENG
-
+
ESP
-
+
ita
OK
P1
T1
T2
T1
T2
T3
T4
TRC 1-2
TRC 4
FIG. B1A
FIG. B2A
TRC 1-2
TRC 4
MITTO 2-4
T1 T2
T1 T2
T3
T4
P1
password 0--- -0-- --0- ---0
OK
ausgang
+/-
-
+
+/-
ende
-
+
ausg. 2
-
+
ausg. 3
ausg. 4
OK OK
-
+
ausg. 1
schritt
-
+
zeitgest
antiagr.
-
+
-
+
-
+
imp.
OK
contr. acc.
-
+
stand-alone
-
+
frei
n. erlaubt
-
+
-
+
OK
zutrittsart ansch. PC
sistemleser
-
+
t. rele auf
-
+
-
+
adresse
t. rele alarm
-
+
OK
0000 . . . 2500
-
+
OK
0000 . . . 0025
-
+
OK
0000 . . . 0019
VORANGEHENDE
MENÜS FIG. A

Related product manuals