EasyManua.ls Logo

BFT RTD-CA - Page 35

BFT RTD-CA
Print Icon
To Next Page IconTo Next Page
To Next Page IconTo Next Page
To Previous Page IconTo Previous Page
To Previous Page IconTo Previous Page
Loading...
RTD-CA - Ver. 02 -
35
D811373_02
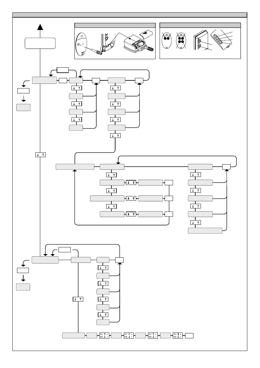
Fig. B
configur RTD
+/-
+/-
FINE
MENU
ANTERIORES
FIG. A
-
+
idioma
-
+
fra
-
+
deu
ENG
-
+
ESP
-
+
ita
OK
P1
T1
T2
T1
T2
T3
T4
TRC 1-2
TRC 4
FIG. B1A
FIG. B2A
TRC 1-2
TRC 4
MITTO 2-4
T1 T2
T1 T2
T3
T4
P1
password 0--- -0-- --0- ---0
OK
salidas
+/-
-
+
+/-
FINE
-
+
out 2
-
+
out 3
out 4
OK OK
-
+
out1
bist.
-
+
temp.
antiag.
-
+
-
+
-
+
monos.
OK
contr access
-
+
stand-alone
-
+
libre
prohibido
-
+
-
+
OK
tipo acc con. PC
lect. siste.
-
+
t. puerta
-
+
-
+
Direccion
t. chk puerta
-
+
OK
0000 . . . 2500
-
+
OK
0000 . . . 0025
-
+
OK
0000 . . . 0019

Related product manuals