EasyManua.ls Logo

BFT RTD - Page 29

BFT RTD
Print Icon
To Next Page IconTo Next Page
To Next Page IconTo Next Page
To Previous Page IconTo Previous Page
To Previous Page IconTo Previous Page
Loading...
RTD- Ver. 03 -
29
D811347_03
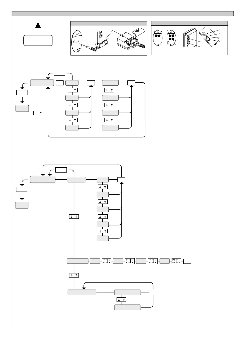
Fig. B
RTD einstellen
+/-
+/-
ENDE
empf. type
VORANGEHENDE
MENÜS FIG. A
-
+
-
+
sprache
-
+
fra
-
+
deu
ENG
-
+
ESP
-
+
ita
OK
OK
rolling code
-
+
P1
T1
T2
T1
T2
T3
T4
TRC 1-2
TRC 4
FIG. B1A
FIG. B2A
TRC 1-2
TRC 4
MITTO 2-4
T1 T2
T1 T2
T3
T4
P1
fest code
ausgang
+/-
-
+
+/-
ENDE
-
+
aus 2
-
+
aus 3
aus 4
OK OK
-
+
aus 1
-
+
schritt
-
+
zeitgest
antiag.
-
+
imp
OK
passvord 0--- -0-- --0- ---0
OK

Related product manuals