EasyManua.ls Logo

BFT RTD - Page 41

BFT RTD
Print Icon
To Next Page IconTo Next Page
To Next Page IconTo Next Page
To Previous Page IconTo Previous Page
To Previous Page IconTo Previous Page
Loading...
RTD- Ver. 03 -
41
D811347_03
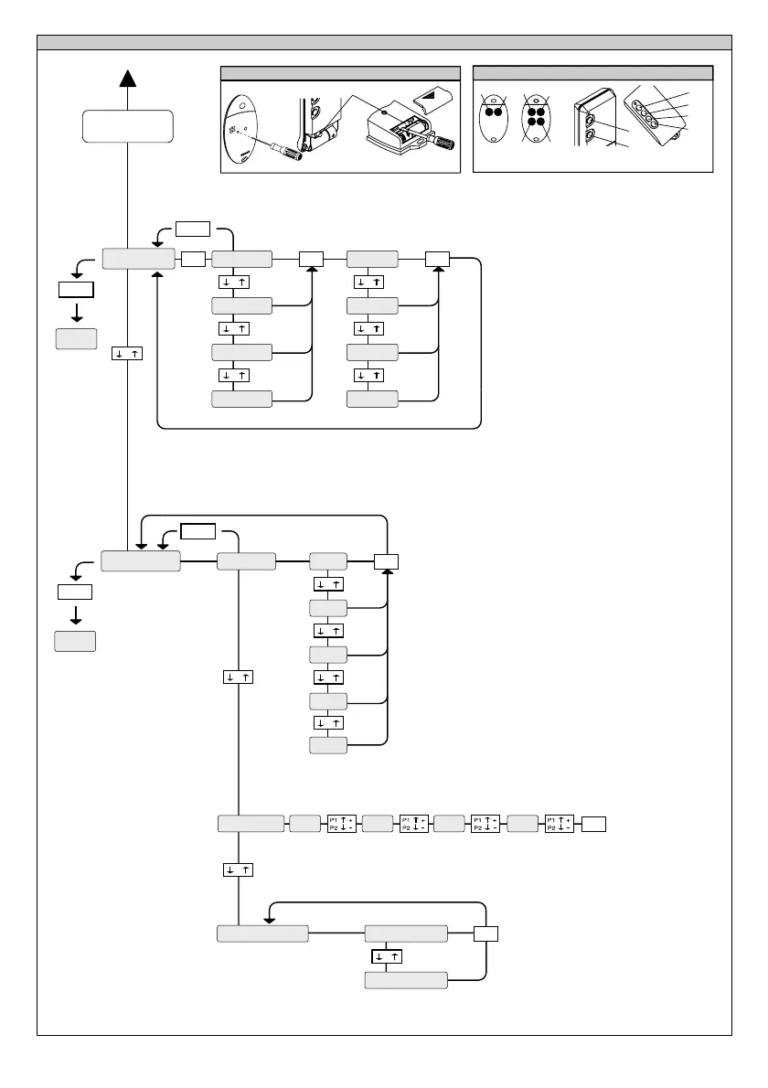
Fig. B
MENUS
PRECEDENTES
FIG. A
P1
T1
T2
T1
T2
T3
T4
TRC 1-2
TRC 4
FIG. B1A
FIG. B2A
TRC 1-2
TRC 4
MITTO 2-4
T1 T2
T1 T2
T3
T4
P1
configur RTD
+/-
+/-
FINE
tipo receptor
-
+
-
+
lengua
-
+
fra
-
+
deu
ENG
-
+
ESP
-
+
ita
OK
OK
rolling code
-
+
codigo Fijo
salidas
+/-
-
+
+/-
FINE
-
+
salidas 2
-
+
salidas 3
salidas 4
OK OK
-
+
salidas 1
-
+
bista.
-
+
temp.
antiag.
-
+
monos.
OK
passvord 0--- -0-- --0- ---0
OK

Related product manuals