EasyManua.ls Logo

BFT URANO BT - Page 38

BFT URANO BT
Print Icon
To Next Page IconTo Next Page
To Next Page IconTo Next Page
To Previous Page IconTo Previous Page
To Previous Page IconTo Previous Page
Loading...
Fig. B
@CRPGC@QB?RCL
$3,!
MENÜ AUTOSET
Automatische Einstellung des Motoren-Drehmomentes.
VORSICHT!
Während der Selbstregistrierungs-Phase
funktionier t die Hindernis-Erfassung nicht, der
Installateur muß deshalb die Bewegung der Toranlage
im Auge behalten und verhindern, daß sich Personen
oder Objekte dem Aktionsradius der Anlage nähern oder
sich hier aufhalten.
VORANGEHENDE
MENÜS FIG. A
OK
OK
-
+
-
+
-
+
+-
#,"
+-
#,"
OK
+-

OK
-
+
32-QCR
+-
#,"
1.0!&#
'2
$0
"#3
#,%
CQN
OK OK
OK
OK
OK
OK
+-
#,"
-
+
-
+
-
+
-
+
OK
OK
.0%
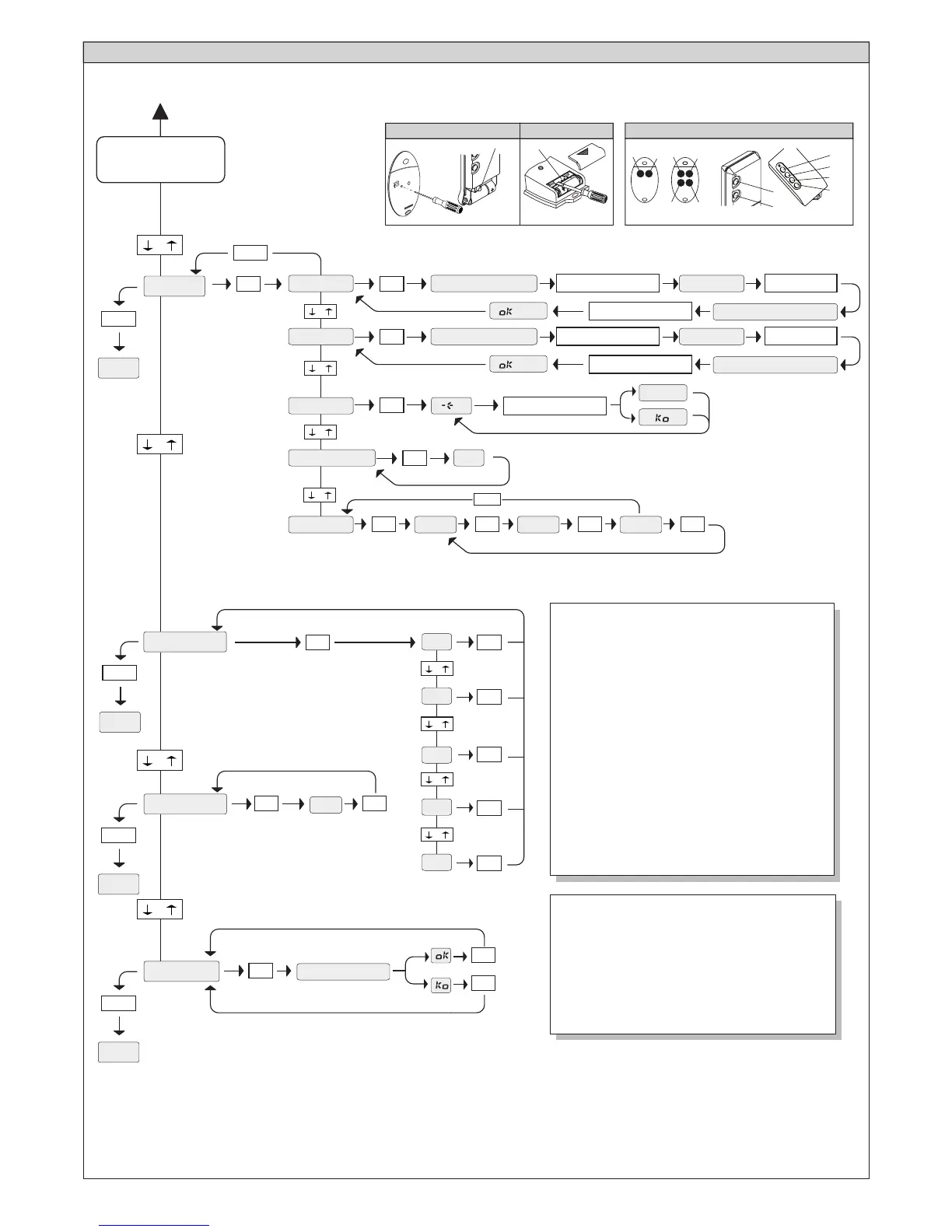
Auf Fernsteuerung P1 drücken
Gewünschtes T auf Fernsteuerung
drücken, siehe Abb.B3
Gewünschtes T auf Fernsteuerung
drücken, siehe Abb.B3
P1 auf Fersteuerung
loslassen
XSDSCE
QR?PR
TCPQRR?QRC
JMQJ?QQCL

.0%
JCQCL
FUNKMENÜ
HINZUFÜGEN - Fügt dem Empfängerspeicher die Taste
einer Fernsteuerung hinzu, nach der Speicherung erfolgt
a u f d e m D i s p l a y e i n e R ü c k m e l d u n g m i t d e r
Empfängernummer am Speicherplatz (01 bis 64).
HINZUFÜGENTaste start - Weist die gewünschte Taste
dem Startbefehl zu
HINZUFÜGENTaste 2ch - Weist die gewünschte Taste
dem Befehl 2. Funkkanal zu
LESEN - Prü f t e i ne Empfänger t a s t e, die - fal l s
g e s p e i c h e r t - a u f d e m D i s p l a y m i t d e r
Empfängernummer im Speicherplatz (01 bis 64) und der
Tastennummer (T1-T2-T3 oder T4) angegeben wird.
LÖSCHEN 64
VORSICHT! Entfernt sämtliche Fernsteuerungen
unwiderbringlich aus dem Speicher des Empfängers
COD RX
Zeigt den Empfängercode.
Siehe Abschnitt 11.
!-"06
OK
!
OK
$ "
OK
OK
-
+
+-
OK
OK
OK
*MCQAFCL
-
+
-
+
R
ECT3C212#
Auf Fernsteuerung P1 drücken
Gewünschtes T auf Fernsteuerung
drücken, siehe Abb.B3
P1 auf Fersteuerung
loslassen
XSDSCE
AF
TCPQRR?QRC
JMQJ?QQCL

OK
-
+
ECT3C212#
T1
T2
T1
T2
T3
T4
P1
1 2
3
T1 T2 T1 T2
T3
T4
P1
P1
38 - URANO BT Ver. 05
D811431_05

Related product manuals