EasyManua.ls Logo

BFT URANO BT - Page 54

BFT URANO BT
Print Icon
To Next Page IconTo Next Page
To Next Page IconTo Next Page
To Previous Page IconTo Previous Page
To Previous Page IconTo Previous Page
Loading...
Fig. B
BCD?SJR
0"'-
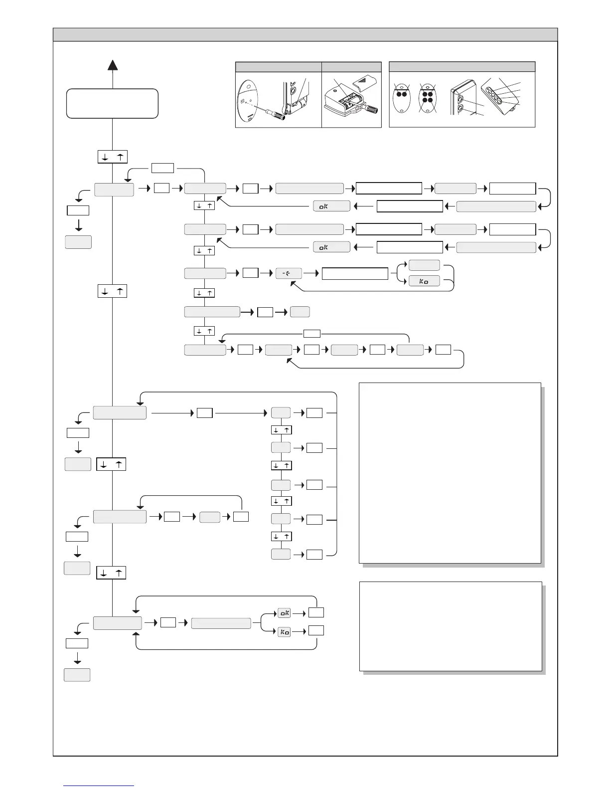
MENU AUTOSET
Define automaticamente o binário dos motores.
ATENÇÃO! Durante a fase de configuração automática
a função de detecção dos obstáculos não é activa;
portanto, o instalador deve controlar o movimento da
automatização e impedir que pessoas e coisas
aproximem-se ou fiquem parados no raio de acção da
automatização.
MENUS PRECEDENTES
FIG. A
OK
OK
-
+
-
+
-
+
-
+
+-
$',#
+-
$',#
OK
+-

OK
32-QCR
+-
$',#
JGLES?
'2
$0
"#3
#,%
CQN
OK OK
OK
OK
OK
OK
+-
$',#
-
+
-
+
-
+
-
+
OK
OK
.0%
MENU RÁDIO
ADICIONAR- Consente de adicionar uma tecla de um
radiocomando na memória do receptor, depois do
armazenamento o visor mostra o número do receptor
na localização da memória (de 01 a 64).
ADICIONARTecla start - associa a tecla desejada ao
comando Start
ADICIONARTecla 2can - associa a tecla desejada ao
comando 2 canal rádio
LER- Efectua uma verificação de uma tecla de um
receptor, se armazenado o visor mostra o número do
receptor na localização da memória (de 01 a 64) e
número da tecla (T1-T2-T3 ou T4).
ELIMINAR 64
ATENÇÃO! Remove completamente todos os
radiocomandos armazenados da memória do receptor
COD RX
Visualiza o código receptor
Fazer referência ao parágrafo 11.
T1
T2
T1
T2
T3
T4
P1
1 2
3
T1 T2 T1 T2
T3
T4
P1
P1
Presione P1 del radiomando
Presione Tecla deseada del
radiomando (véase la Fig. B3).
Presione Tecla deseada del
radiomando (véase la Fig. B3).
Suelte P1 del
radiomando.
Presione P1 del radiomando
Presione Tecla deseada del
radiomando (véase la Fig. B3).
Suelte P1 del
radiomando.
EEQR?PR
R?QRML?QAMQRM PGJ?QAG?
R?QRMBCQGBCP?RM

.0%
*CEEG
OK
OK
OK
#JGKGL?
-
+
-
+
!-"06
OK
!
OK
$ "
OK
OK
-
+
EEAF
R?QRML?QAMQRM PGJ?QAG?
R?QRMBCQGBCP?RM

OK
-
+
+-
R
54 - URANO BT Ver. 05
D811431_05

Related product manuals