EasyManua.ls Logo

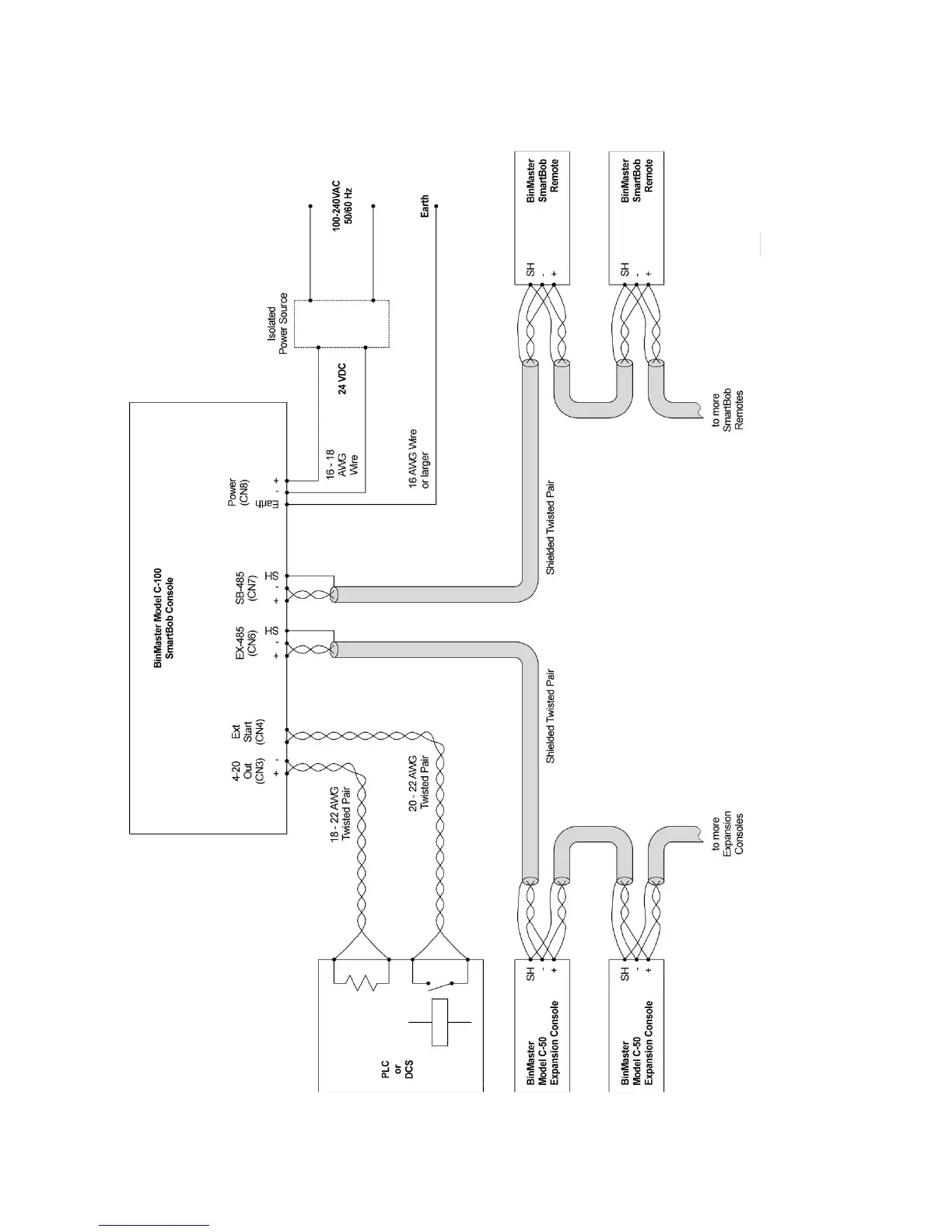
Bin Master C-100 - Wiring Diagram; System Wiring Overview

Bin Master C-100
27 pages
Print Icon
To Next Page IconTo Next Page
To Next Page IconTo Next Page
To Previous Page IconTo Previous Page
To Previous Page IconTo Previous Page
Loading...
925-0270 Rev G 15
3.5 Wiring Diagram