EasyManua.ls Logo

Bindicator TDR-3000 - Page 17

Bindicator TDR-3000
31 pages
Print Icon
To Next Page IconTo Next Page
To Next Page IconTo Next Page
To Previous Page IconTo Previous Page
To Previous Page IconTo Previous Page
Loading...
13
www.bindicator.com
TDR180003 Rev. I
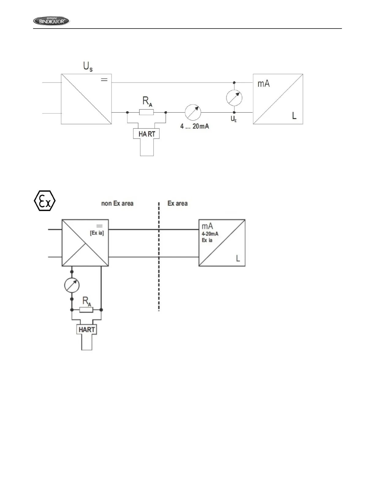
Non-Hazardous Duty Version
Hazardous Duty Version