EasyManua.ls Logo

BIOPAC Systems, Inc. MP150 - Page 6

Default Icon
251 pages
Print Icon
To Next Page IconTo Next Page
To Next Page IconTo Next Page
To Previous Page IconTo Previous Page
To Previous Page IconTo Previous Page
Loading...
6 MP System Hardware Guide
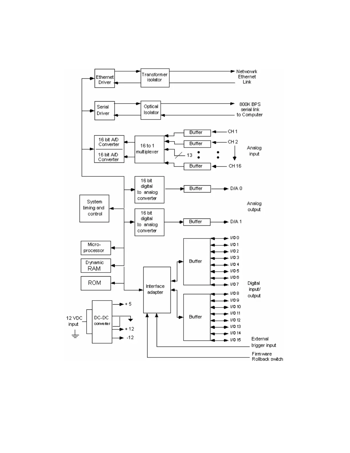
MP150A-CE Data Acquisition Unit Block Diagram
The MP150 has an internal microprocessor to control the data acquisition and communication with the computer.
There are 16 analog input channels, two analog output channels, 16 digital channels that can be used for either input
or output, and an external trigger input. The digital lines can be programmed as either inputs or outputs and function
in 8 channel blocks. Block 1 (I/O lines 0 through 7) can be programmed as either all inputs or all outputs,
independently of block 2 (I/O lines 8 through 15).
MP150A-CE block diagram
*MP150 Specifications are on page
9.

Other manuals for BIOPAC Systems, Inc. MP150