EasyManua.ls Logo

Bitron Video GCM80/21 - Page 6

Bitron Video GCM80/21
Print Icon
To Previous Page IconTo Previous Page
To Previous Page IconTo Previous Page
Loading...
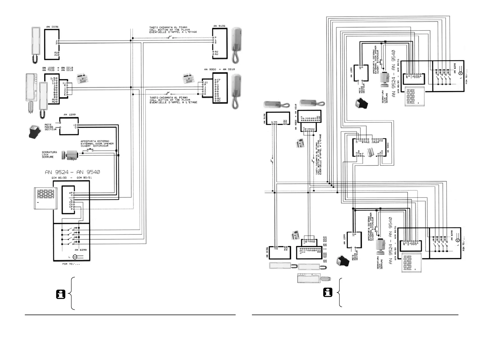
179 215 70
NB. TAGLIARE IL PONTICELLO DI RAME PRESENTE SUL CIRCUITO STAMPATO
DI TUTTI I CITOFONI AN 1000 – AN 7320 – AN 9300
NOTE: CUT THE JUMPER ON THE PCB OF ALL DOOR PHONES AN 1000 – AN
7320 – AN 9300
NOTE: COUPER LE PONTET DU CIRCUIT IMPRIME DE TOUS LES COMBINES
A
N 1
000
AN 7
3
2
0
AN
9300
IMPIANTO DI 1 POSTO ESTERNO CON
CHIAMATA ESTERNA ELETTRONICA
(+ CHIAMATA ELETTRONICA AL PIANO)
DOOR PHONE SYSTEM 1 ENTRANCE,
ELECTRONIC CALL
(+ ELECTRONIC CALL AT THE FLOOR)
SYSTEME PARLOPHONE 1 ENTREE AVEC
APPEL ELECTRONIQUE
(+ APPEL ELECTRONIQUE A L’ETAGE)
179 215 80
NB. TAGLIARE IL PONTICELLO DI RAME PRESENTE SUL CIRCUITO STAMPATO
DI TUTTI I CITOFONI AN 1000 – AN 7320 – AN 9300
NOTE: CUT THE JUMPER ON THE PCB OF ALL DOOR PHONES AN 1000 – AN
7320 – AN 9300
NOTE: COUPER LE PONTET DU CIRCUIT IMPRIME DE TOUS LES COMBINES
A
N 1000
AN 7320
AN 9300
IMPIANTO DI 2 POSTI ESTERNI CON
CHIAMATA ESTERNA ELETTRONICA
(+ CHIAMATA ELETTRONICA AL
PIANO)
DOOR PHONE SYSTEM 2
ENTRANCES, ELECTRONIC CALL
(+ ELECTRONIC CALL AT THE
FLOOR)
SYSTEME PARLOPHONE 2 ENTREES
AVEC APPEL ELECTRONIQUE
N.I. 012175554. N.I. 012175554.

Related product manuals