EasyManua.ls Logo

Black+Decker BD-07-DWH - Unité de Réinitialisation

Black+Decker BD-07-DWH
60 pages
Print Icon
To Next Page IconTo Next Page
To Next Page IconTo Next Page
To Previous Page IconTo Previous Page
To Previous Page IconTo Previous Page
Loading...
58
FR
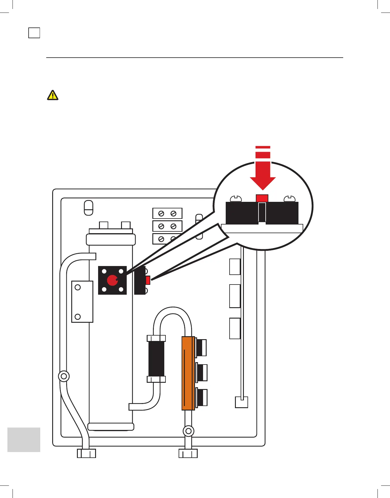
14. Unité de réinitialisation
Comme pour tous les appareils électriques, il est crucial de couper tout d’abord l’alimentation
électrique de l’appareil directement au niveau du boîtier de fusibles ou de disjoncteurs avant
d’essayer de réinitialiser ce chaue-eau.
AVERTISSEMENT
: DES BLESSURES CORPORELLES GRAVES OU LA MORT PEUVENT
SURVENIR SI VOUS NE TENEZ PAS COMPTE DE CET AVERTISSEMENT.
Repérez les deux emplacements des boutons de réinitialisation comme indiqué ci-dessous
et appuyez sur les deux boutons. Si vous entendez un “clic”, l’appareil est réinitialisé. Si vous
constatez que l’appareil doit être remis à zéro assez souvent,
veuillez appeler notre service clientèle pour obtenir de l’aide.
Allumez vos disjoncteurs et mettez l’appareil sous tension.

Related product manuals