EasyManua.ls Logo

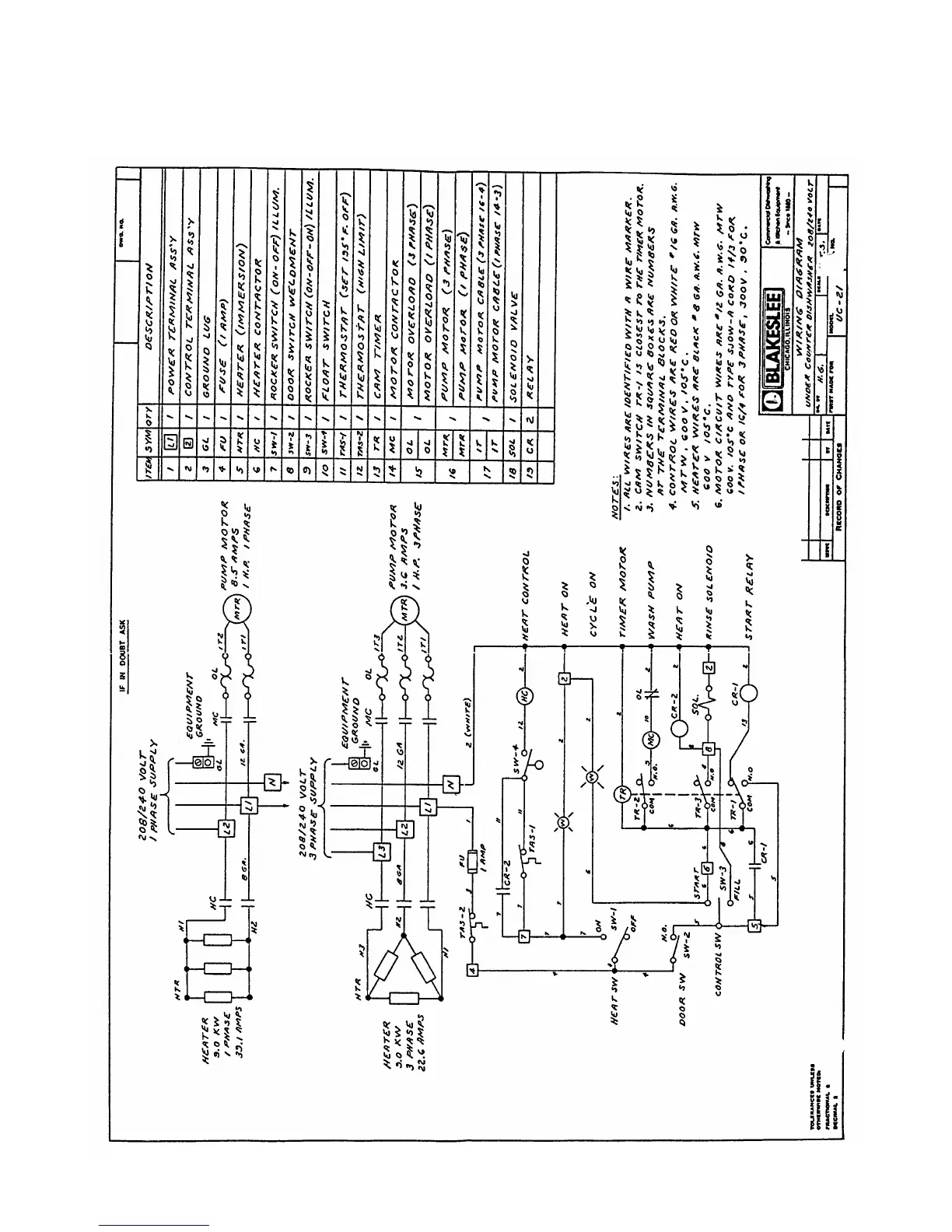
Blakeslee UC-21 - Wiring Diagram; Electrical Schematics and Notes

Blakeslee UC-21
22 pages
Print Icon
To Next Page IconTo Next Page
To Next Page IconTo Next Page
To Previous Page IconTo Previous Page
To Previous Page IconTo Previous Page
Loading...
-18-

Related product manuals