EasyManua.ls Logo

Blanco BFD9054WX - Gas and Electrical Hookup

Blanco BFD9054WX
36 pages
Print Icon
To Next Page IconTo Next Page
To Next Page IconTo Next Page
To Previous Page IconTo Previous Page
To Previous Page IconTo Previous Page
Loading...
27
INSTRUCTIONS FOR THE INSTALLER
18
18B
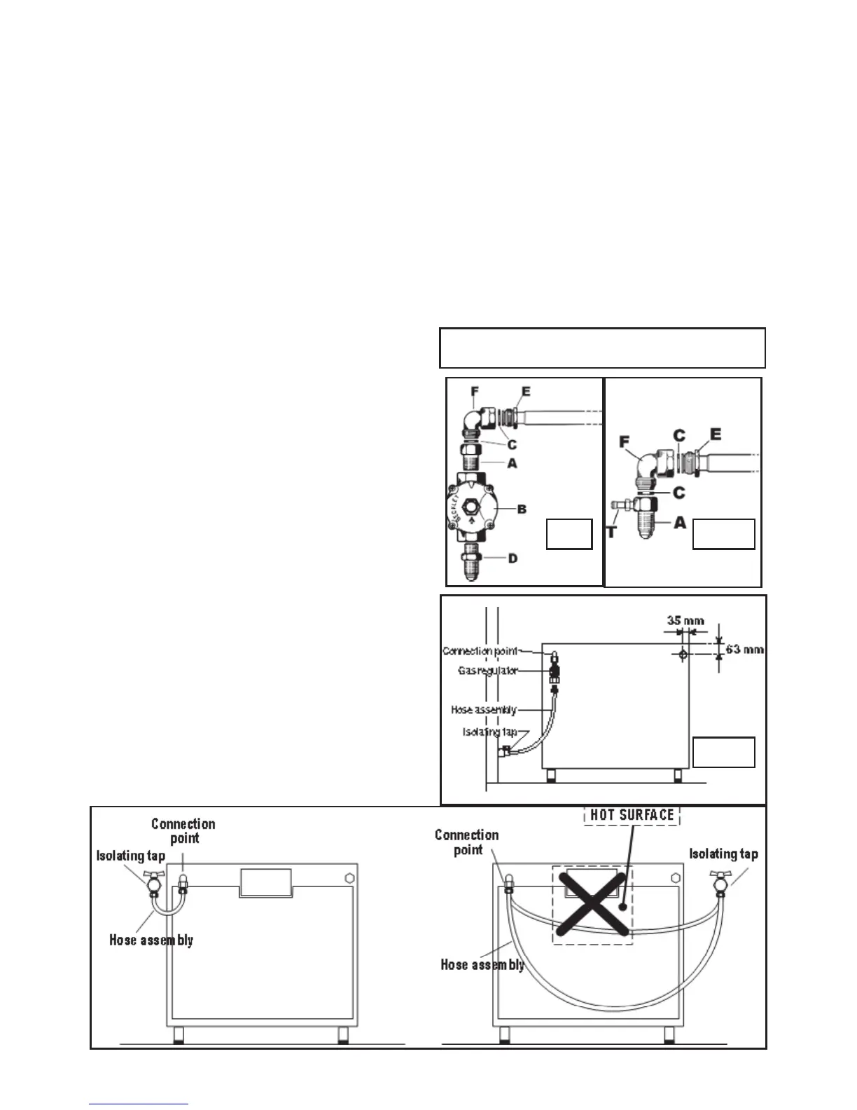
GAS CONNECTION
This appliance shall be installed only by
authorised personnel and in accordance with
the manufacturer’s installation instructions,
     
codes, water supply regulations, electrical wiring
regulations, AS 5601 - Gas Installations and any
other statutory regulations.
The appliance is adjusted to work with the gas
indicated on the label which is applied on the
glass-window of the oven door and on the cooker
packing.
Installation for Natural gas
    
       
point in the direction shown. Fitting (D) to be
 
give test-point pressure given on data label on
<TECHNICAL FEATURES> paragraph, with one
large or one medium burner alight at maximum.

The stove must be installed on legs which come
       
(A) and (B) will allow location of the regulator
(B) underneath the stove for adjustment and
maintenance.

Connect by using a copper pipe starting, from the


As an option, the cooker may be installed with
     
AS/NZS 1869 (AGA Approved), 10 mm ID, class
B or D, Minimum 1000 mm - Maximum 1200 mm,
as an alternative connection.
 
        

       
        
attached by means of a union connector.
 
accessible to a service person or inspector.
 The hose assembly must be installed in
accordance with AS5601 for a high level
connection. The hose should not be subjected

the cooker at least 60 mm clearance is required.
to abrasion, kinking or permanent deformation
and should be able to be inspected along its
entire length. Unions compatible with the hose
    

should be at approximately the same height
as the cooker connection point, pointing
downwards.
 
cooker is in the installed position. The anti-
tilting chain supplied should be anchored to the
    
prevents
strain on the hose connections when the
cooker is pulled forward.
18A

Related product manuals