EasyManua.ls Logo

Blodgett Combi BC14G - Page 20

Default Icon
66 pages
Print Icon
To Next Page IconTo Next Page
To Next Page IconTo Next Page
To Previous Page IconTo Previous Page
To Previous Page IconTo Previous Page
Loading...
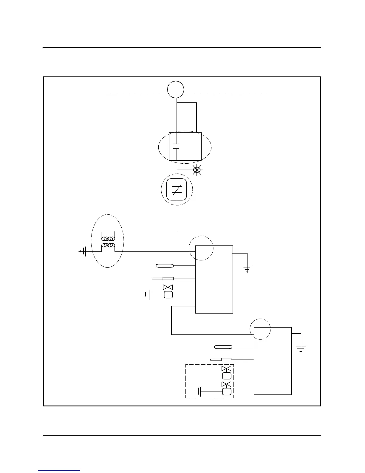
TROUBLESHOOTING
3-4
BC14G HOT AIR FLOW CHART
P5
Temp
Controller
Contacts
Mode Switch
S1#12
closed for heat
H5
XFMR1
THS2
SPARK
SENSE4
PV1
G
pv
m
IG1
FS1
Combination
valve
L2
24VAC
THS2
SPARK
SENSE4
PV1
pv
IG1
FS1
MV3
C
B
Hot Air IGN2
Hot Air IGN1
9
R205
1
A
D
E
FIGURE 2

Related product manuals