EasyManua.ls Logo

Blodgett Combi BC14G - Page 22

Default Icon
66 pages
Print Icon
To Next Page IconTo Next Page
To Next Page IconTo Next Page
To Previous Page IconTo Previous Page
To Previous Page IconTo Previous Page
Loading...
TROUBLESHOOTING
3-6
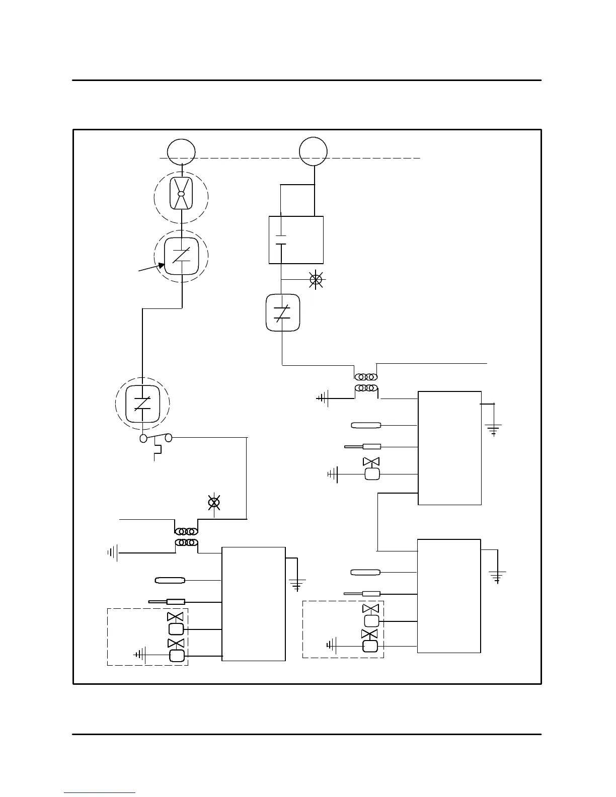
BC14G COMBI FLOW CHART
P5
Temp
Controller
Mode Switch
9
R205
S1#20
T2
timer
S1#18
1
2
Combi
R204
9
1
Contacts
open when
filling
H5
Heat
F6
M/R Steam
High limit
25% Duty
A
Steam
XFMR1
24VAC
SPARK
SENSE4
PV1
pv
m
IG1
FS1
Combination
valve
Steam
XFMR1
24VAC
SPARK
SENSE4
PV1
pv
m
IG1
FS1
Combination
valve
Steam
XFMR1
24VAC
SPARK
SENSE4
PV1
pv
m
IG1
FS1
Combination
valve
Steam
XFMR1
24VAC
SPARK
SENSE4
PV1
pv
m
IG1
FS1
Combination
valve
Steam
XFMR1
24VAC
THS2
SPARK
SENSE4
PV1
G
pv
m
IG1
FS1
Combination
valve
L2
G
XFMR1
THS2
SPARK
SENSE4
PV1
G
pv
IG1
FS1
Combination
valve
L2
24VAC
THS2
SPARK
SENSE4
PV1
pv
IG1
FS1
MV3
Hot Air IGN1
mmmmm
MV3
MV3
Hot Air IGN2
Steam IGN1
G
IG1IG1
9
R202
1
B
C
1
FIGURE 4

Related product manuals