EasyManua.ls Logo

Blodgett Combi BC14G - Page 23

Default Icon
66 pages
Print Icon
To Next Page IconTo Next Page
To Next Page IconTo Next Page
To Previous Page IconTo Previous Page
To Previous Page IconTo Previous Page
Loading...
BC14G
3-7
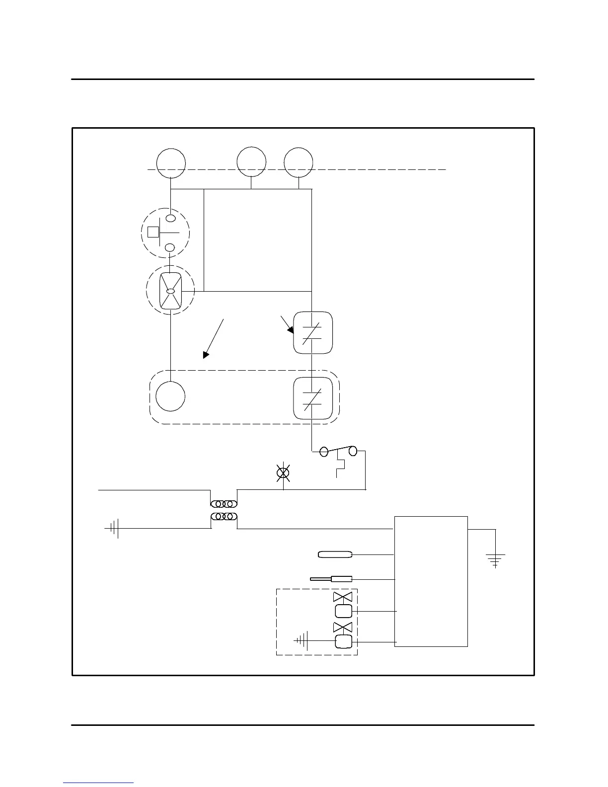
BC14G ON DEMAND STEAM FLOW CHART
S1#12
coil
2
Mode Switch
R204
Contacts
closed for steam
S1#20
10
R202
On demand
steam.
6
2
1
T3
Timer
S9
On demand
steam button
5
9
R202
S1#20
A
B
C
F6
M/R Steam High limit
H6
Steam
XFMR1
24VAC
THS2
SPARK
SENSE4
PV1
G
pv
m
IG1
FS1
Combination
valve
F6
M/R Steam High limit
H6
Steam
XFMR1
24VAC
THS2
SPARK
SENSE4
PV1
pv
m
IG1
FS1
F6
M/R Steam High limit
H6
Steam
XFMR1
24VAC
THS2
SPARK
SENSE4
PV1
pv
m
IG1
FS1
F6
M/R Steam High limit
H6
Steam
XFMR1
24VAC
THS2
SPARK
SENSE4
PV1
pv
m
IG1
FS1
F6
M/R Steam High limit
H6
Steam
XFMR1
24VAC
THS2
SPARK
SENSE4
PV1
pv
m
IG1
FS1
Contacts closed
FIGURE 5

Related product manuals