EasyManua.ls Logo

Blu Aria - Power Amplifier & SIM Circuits

Blu Aria
47 pages
Print Icon
To Next Page IconTo Next Page
To Next Page IconTo Next Page
To Previous Page IconTo Previous Page
To Previous Page IconTo Previous Page
Loading...
19
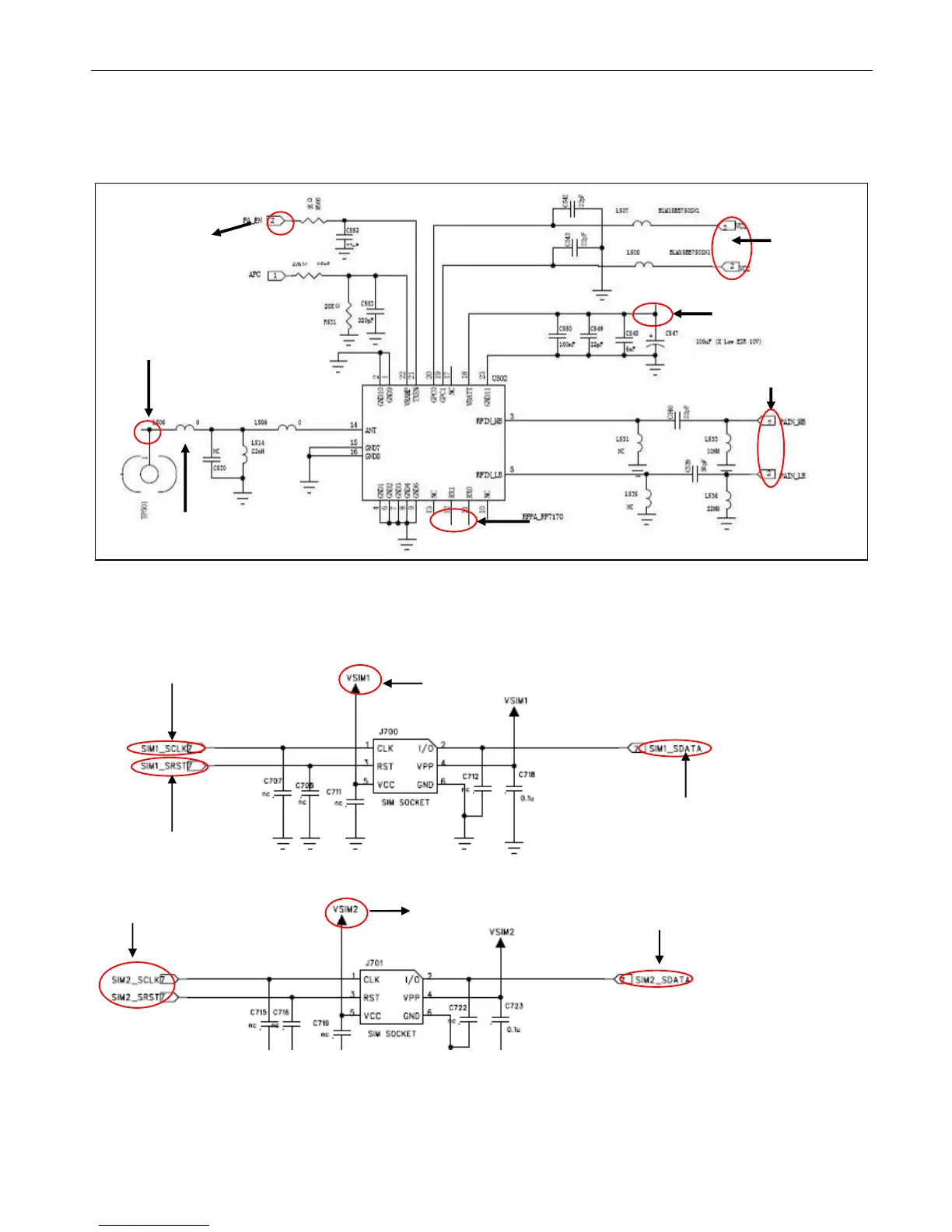
7.5 SIM circuit
SIM 1Clock
SIM 1 reset
SIM 1 power
SIM 1 Data
SIM 2 power
SIM 2 Clock, reset
SIM 2 Data
7.4 power amplifier
frequency
Power input
RF DC
Signal AC
antennal
SKY77542
Start

Related product manuals