EasyManua.ls Logo

Blu Grand Max - Page 20

Blu Grand Max
45 pages
Print Icon
To Next Page IconTo Next Page
To Next Page IconTo Next Page
To Previous Page IconTo Previous Page
To Previous Page IconTo Previous Page
Loading...
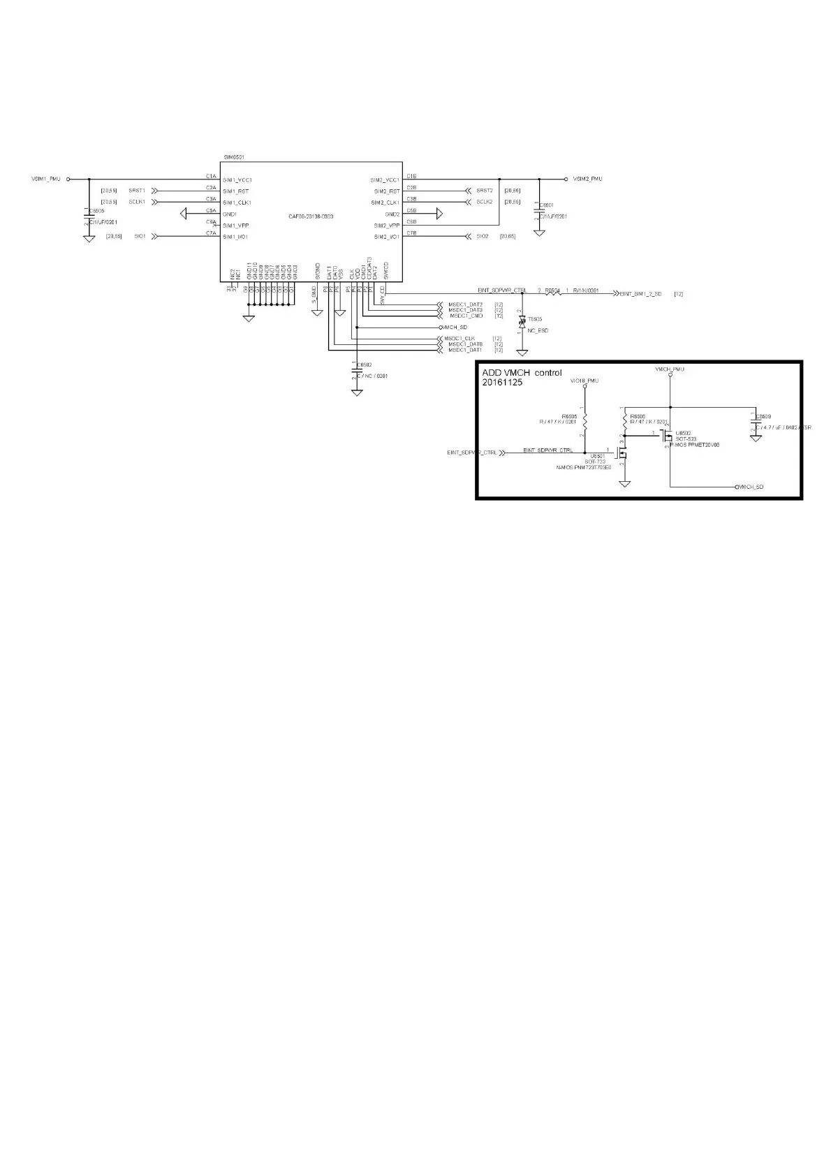
The joint circuit of SIM1&SIM2&T-FLASH
20

Other manuals for Blu Grand Max

Related product manuals