EasyManua.ls Logo

Blu Grand Max - Page 29

Blu Grand Max
45 pages
Print Icon
To Next Page IconTo Next Page
To Next Page IconTo Next Page
To Previous Page IconTo Previous Page
To Previous Page IconTo Previous Page
Loading...
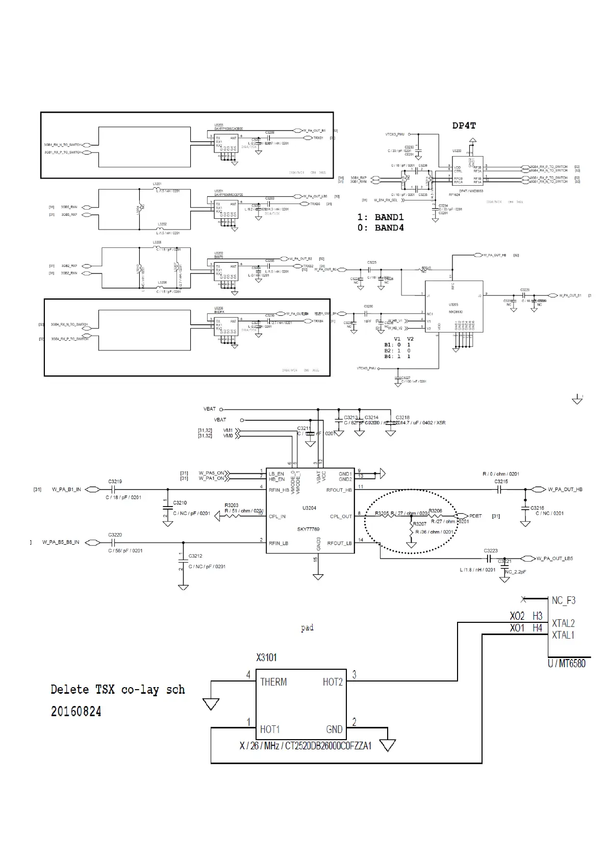
WCDMA RF
29

Other manuals for Blu Grand Max

Related product manuals