EasyManua.ls Logo

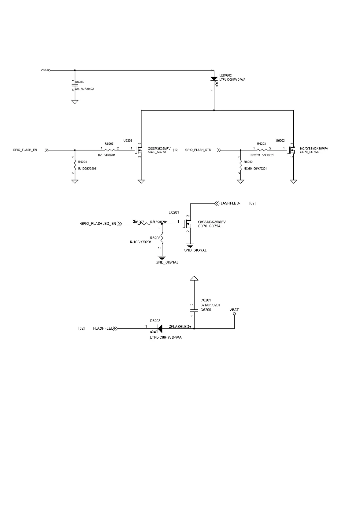
Blu Grand Max - Sensors and Flash LED

Blu Grand Max
45 pages
Print Icon
To Next Page IconTo Next Page
To Next Page IconTo Next Page
To Previous Page IconTo Previous Page
To Previous Page IconTo Previous Page
Loading...
36
Flash LED

Other manuals for Blu Grand Max

Related product manuals