EasyManua.ls Logo

Blu Life One - Page 17

Blu Life One
47 pages
Print Icon
To Next Page IconTo Next Page
To Next Page IconTo Next Page
To Previous Page IconTo Previous Page
To Previous Page IconTo Previous Page
Loading...
17
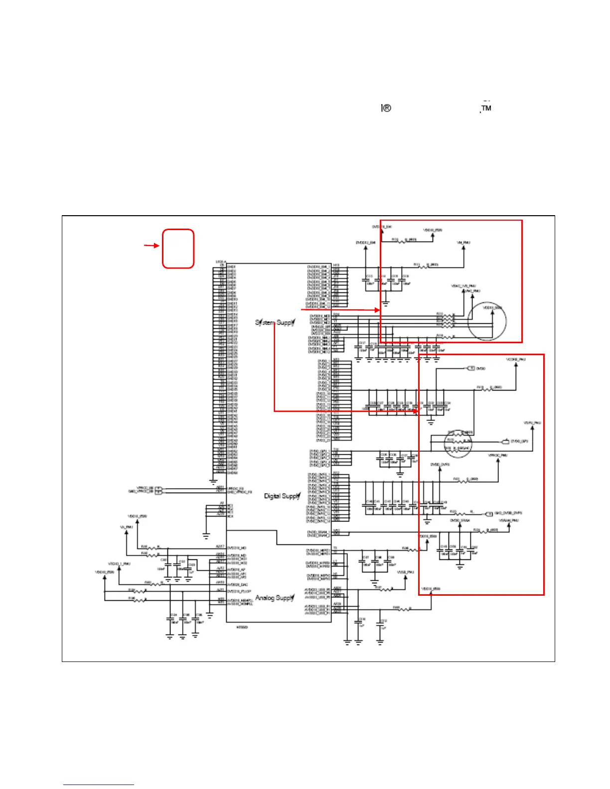
MT6589 INTRODUCTION
7.1 Baseband CPU circuit introduction for power supply
7.2 Introduction for baseband chip CPU part circuit
System Overview
MT6589 is a highly integrated baseband platform incorporating both modem and application processing subsystems to
Enable 3G smart phone applications. The chip integrates a Quad-core ARM Cortex-A7 MPCore operating up
to 1.2GHz, an ARM Cortex-R4 MCU and a powerful multi-standard video accelerator. The MT6589 interfaces to
NANA flash memory, 32-bit mobile DDR or LPDDR2 for optimal performance and also supports booting from SLC
NAND or EMMC to minimize the overall BOM cost. In addition, an extensive set of interfaces and connectivity
peripherals are included to interface to cameras, touch-screen displays, MMC/SD cards and external Bluetooth,
WILAN and GPS modules.
Connector for
power chip
CPU power
supply part

Related product manuals