EasyManua.ls Logo

Blue Seal SG 45 E2 - Page 37

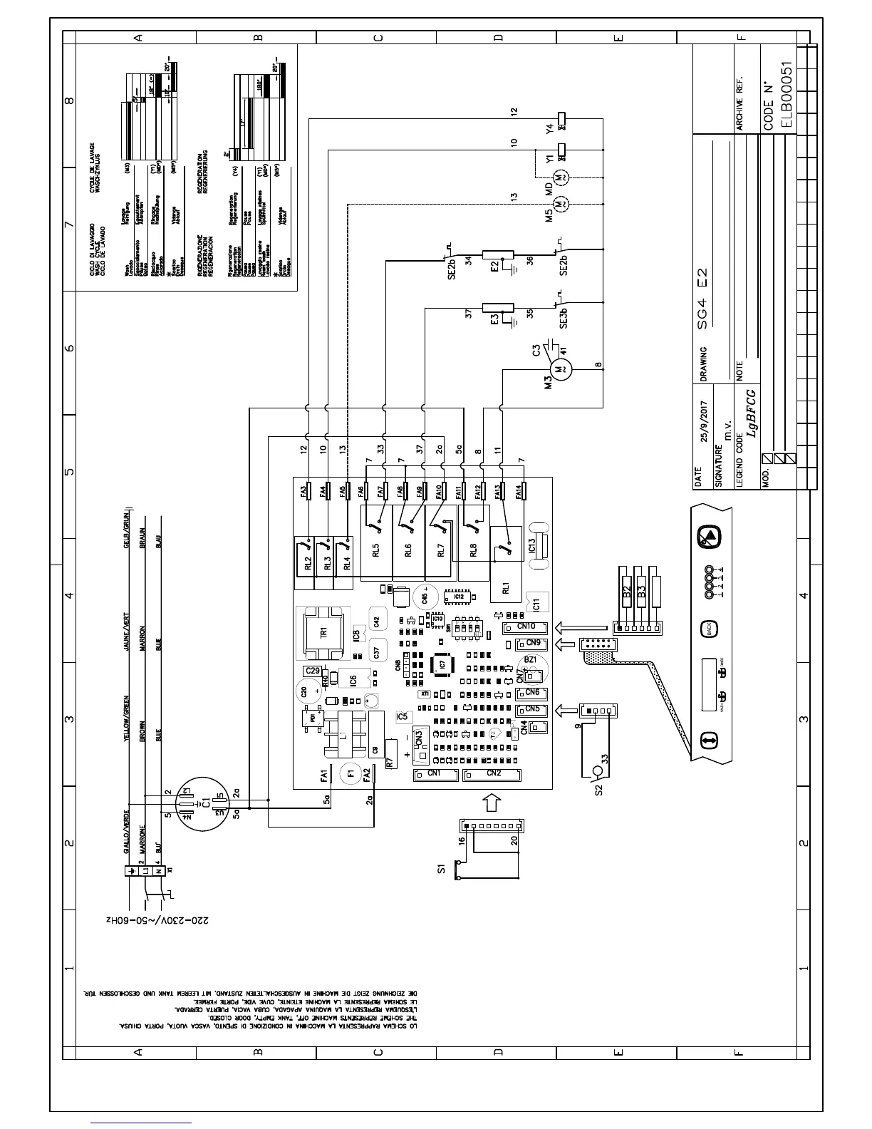
Blue Seal SG 45 E2
52 pages
Print Icon
To Next Page IconTo Next Page
To Next Page IconTo Next Page
To Previous Page IconTo Previous Page
To Previous Page IconTo Previous Page
Loading...

Related product manuals