EasyManua.ls Logo

Bluebird B530A - Decal Placement

Bluebird B530A
44 pages
Print Icon
To Next Page IconTo Next Page
To Next Page IconTo Next Page
To Previous Page IconTo Previous Page
To Previous Page IconTo Previous Page
Loading...
9
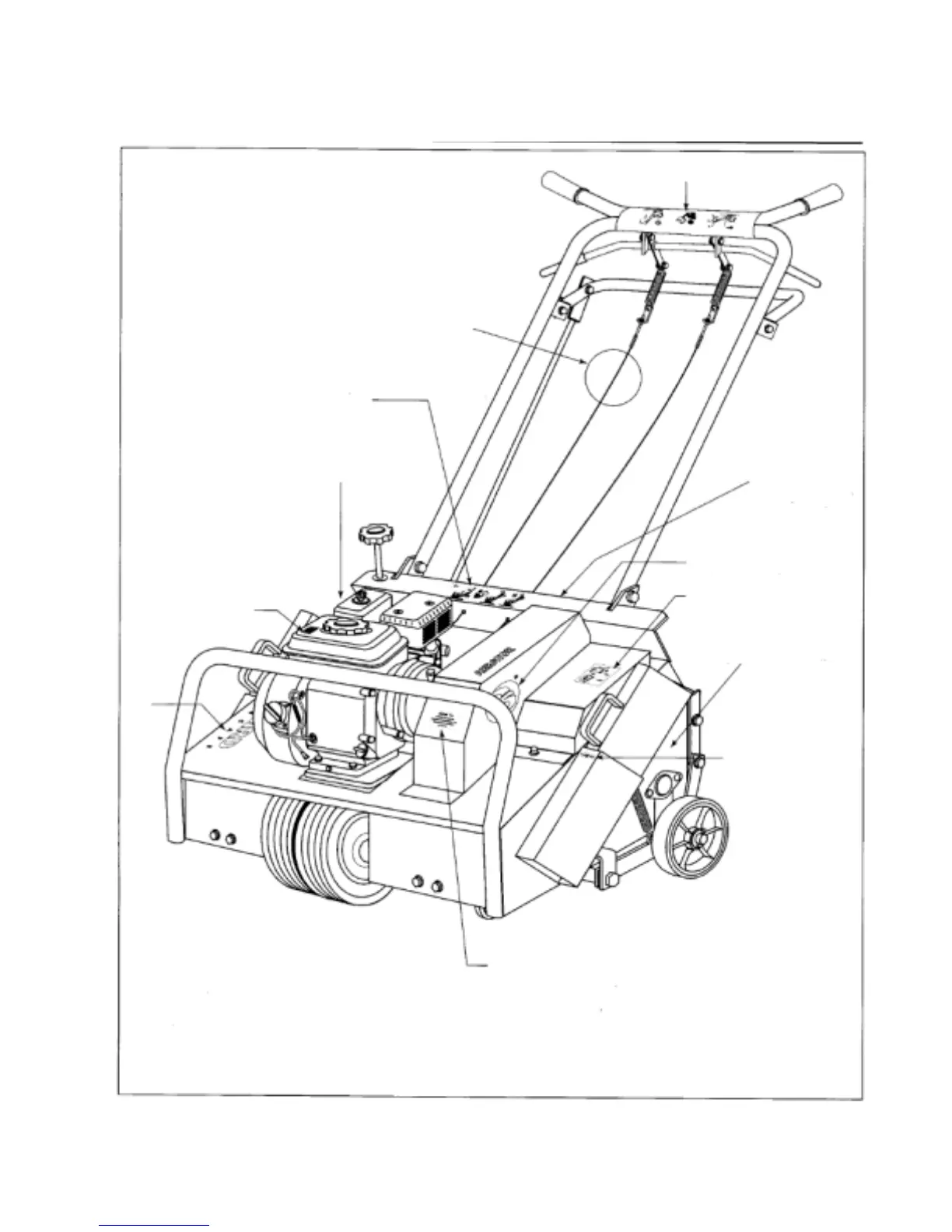
DECAL PLACEMENT - MODELS 424, 530A AND 742
Figure 3
G2
G1
H (on deck
behind
engine)
F (on back
of housing
over tine
rotor)
K (for Models 424 & 742
logo only)
I
E (for Model 742)
D
A (for Model 424)
B (for Model 530)
C (for Model 742)
Throttle Cable
(Model 742 with
Honda only)
J
K

Other manuals for Bluebird B530A

Related product manuals