EasyManua.ls Logo

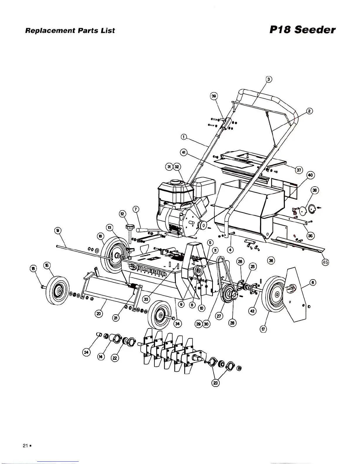
Bluebird C18 - P18 Seeder Replacement Parts Diagram

Bluebird C18
36 pages
Print Icon
To Next Page IconTo Next Page
To Next Page IconTo Next Page
To Previous Page IconTo Previous Page
To Previous Page IconTo Previous Page
Loading...

Related product manuals