EasyManua.ls Logo

BMW E36 Coupe - Page 101

BMW E36 Coupe
383 pages
Print Icon
To Next Page IconTo Next Page
To Next Page IconTo Next Page
To Previous Page IconTo Previous Page
To Previous Page IconTo Previous Page
Loading...
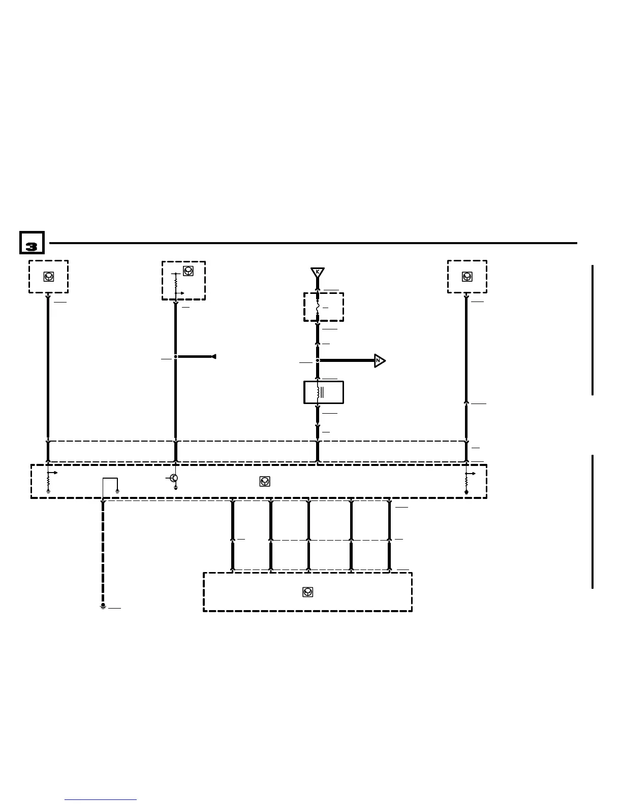
ENGINE CONTROL SYSTEM MS41.1 (6CYLINDER M52)
BMW
.5 VI/GR
03/00
1210.17Ć
1999
09
A2w
INSTRUMENT
CLUSTER
1) FUEL
CONSUMPTION
X16
21
7
9
24
82
3
.35 WS/SW
.5 WS/SW
.5 WS/SW
X228
INSTRUMENT
CLUSTER
6211.0
18
.5 GN
TI
5
A52
SLIP CONTROL
MODULE
(ABS/ASC)
31
A6000
ENGINE CONTROL
MODULE (DME)
1) DRIVEAWAY
PROTECTION
X6000
19
8 X10054
.5 VI/GR
6 X20
10 X1527
A115
AUTOMATIC
CLIMATE CONTROL
MODULE
.5 WS/RT/GE
4 X1659
.5 WS/SW
BMW
BMWBMW
1
A836
ELECTRONIC
IMMOBILIZER
CONTROL MODULE
(EWS II)
.35 GN
81
X69
7
X1171
25
X6000
45
5
26
.5 WS/GR/GE
80
6
4
.5 WS/GN .5 WS/GR
.5 WS/RT/GE .5 WS/GR/GE .5 WS/GN .5 WS/GR
.35 VI/GR
15
9
15
.5 BR/RT
.5 WS/GR/GE
X20
15
1
31
31
X6456
56
GROUND
DISTRIBUTION
0670.4
X102732
52
1
.5 GR/VI
X2152
X14
.5 GR/VI
P97
AUXILIARY FUSE
BOX
F50
5A
1 X10273
2 X14
3
.5 GR/VI
1 X13172
1 RT/WS/GE
2
X13172
Y198
EXHAUST GAS
FLAP VALVE
1210.17-10
1210.17-04
1 RT/WS/GE
1 RT/WS/GE
1 RT/WS/GE
.5 RT/WS/GE
31