EasyManua.ls Logo

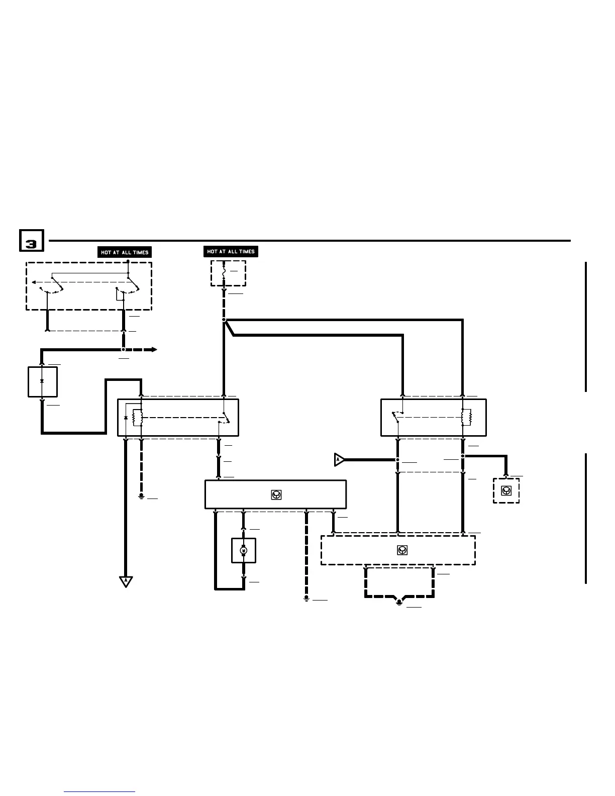
BMW E36 Coupe - 6412.20 Park Ventilation with Ihka E36

BMW E36 Coupe
383 pages
Print Icon
To Next Page IconTo Next Page
To Next Page IconTo Next Page
To Previous Page IconTo Previous Page
To Previous Page IconTo Previous Page
Loading...
BMW
03/00
6412.20Ć
1999
00
6412.20 PARK VENTILATION WITH IHKA E36
P90
FRONT POWER
DISTRIBUTION BOX
8 X586
X1001620
4 2
FUSE DETAILS
0670.3
2.5 RT/GN
X8171
GROUND
DISTRIBUTION
0670.4
X10012
K4
BLOWER RELAY
X58
4
N2
FINAL STAGE UNIT
M30
BLOWER MOTOR
31
S2
IGNITION SWITCH
0) OFF
1) ACCESSORY
2) RUN
3) START
67
V6
UNCOUPLING
DIODE
X33
.35 GN
X1405
1
X14061
GROUND
DISTRIBUTION
0670.4
X173
X352
1 X816
51
2.5 GN/BR
2
2.5 GN/BR
2.5 GN
2.5 GN
.5 GN/WS
X671
3
X671
2.5 BR/GE 2.5 GN/GE
A115
AUTOMATIC
CLIMATE CONTROL
MODULE
19
.35 BL/RT
20
.35 GN/BR
8
.35 SW/WS/GE
X1257
12 11
X35
.5 GN .5 SW/WS/GE
X107114
N4
ONBOARD
COMPUTER
3) VENTILATION
2 X6078
K450
PARK VENTILATION
RELAY
X607
2.5 GN
.5 SW/WS/GE
.35 GN
2.5 RT/GN
POWER
DISTRIBUTION
0670.2
5
.35 GN
X203
85
86
6412.20-00
87
30
2.5 RT/GN
X18165
.5 SW/WS/GE
6412.20-00
64
X10103
3
.5 BL/VI
NOT USED
X209
F20
30A
2
1
0
3
2
1
0
3
GROUND
DISTRIBUTION
0670.4
X10012
X152721 23
GROUND
DISTRIBUTION
0670.4
30
87
86
85