EasyManua.ls Logo

BMW E36 Coupe - Page 283

BMW E36 Coupe
383 pages
Print Icon
To Next Page IconTo Next Page
To Next Page IconTo Next Page
To Previous Page IconTo Previous Page
To Previous Page IconTo Previous Page
Loading...
l l l l l l l l l l l l l l l l l l l l
l l l l l l l l l l l l l l l l l l l l
l l l l l l l l l l l l l l l l l l l l
X49
BMW
BMWBMWBMW
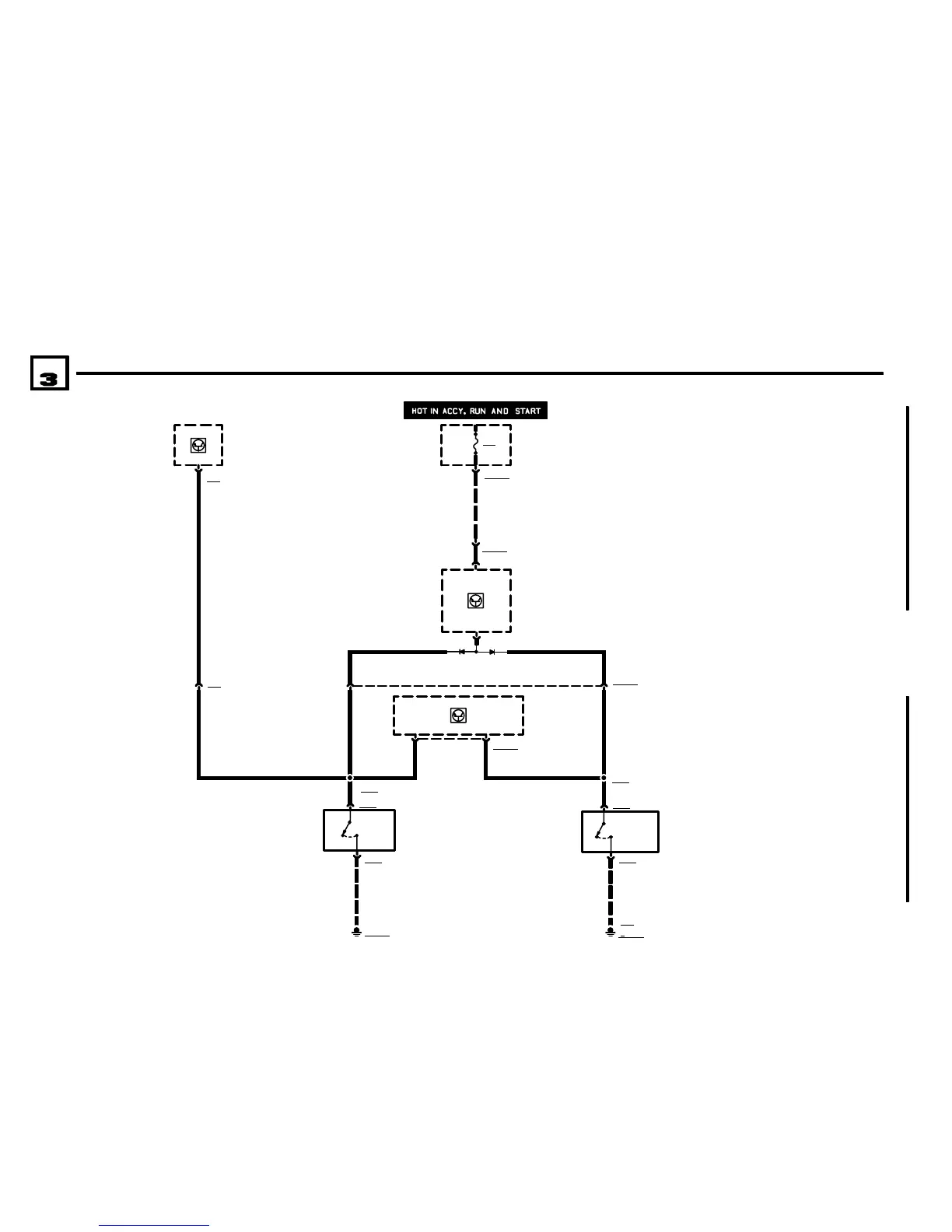
FRONT AND REAR DOOR JAMB SWITCHES
03/00
6575.2Ć
1999
01
N12w
ANTITHEFT CON-
TROL MODULE
(ALPINE)
X13025
ANTITHEFT SYSTEM (ALPINE)
12
5
.5 BR/BL/GE
S13
PASSENGERS DOOR
JAMB SWITCH
1) DOOR OPEN
2) DOOR CLOSED
2 X351
.5 BR/BL/GE
1 X351
12
X443
4
S14
DRIVERS DOOR JAMB
SWITCH
1) DOOR OPEN
2) DOOR CLOSED
2 X352
.5 BR/GR/GE
X445
A104
BODY ELEC-
TRONICS CON-
TROL MODULE
(ZKE IV)
2
.5 BR/GR/GE
3
X13254
.5 BR/BL/GE.5 BR/GR/GE
GROUND DIS-
TRIBUTION
0670.4
GROUND DIS-
TRIBUTION
0670.4
1 X352
2 X13025
26 X10018
F43
5A
FUSE DETAILS
0670.3
P90
FRONT POWER
DISTRIBUTION
BOX
X13006
CONVERTIBLE
13 X14
23 X17
A2w
INSTRUMENT
CLUSTER
.5 BR/GR/GE
.5 BR/GR
X13006