EasyManua.ls Logo

BMW E36 Coupe - Page 30

BMW E36 Coupe
383 pages
Print Icon
To Next Page IconTo Next Page
To Next Page IconTo Next Page
To Previous Page IconTo Previous Page
To Previous Page IconTo Previous Page
Loading...
BMW
BMWBMW
BMW
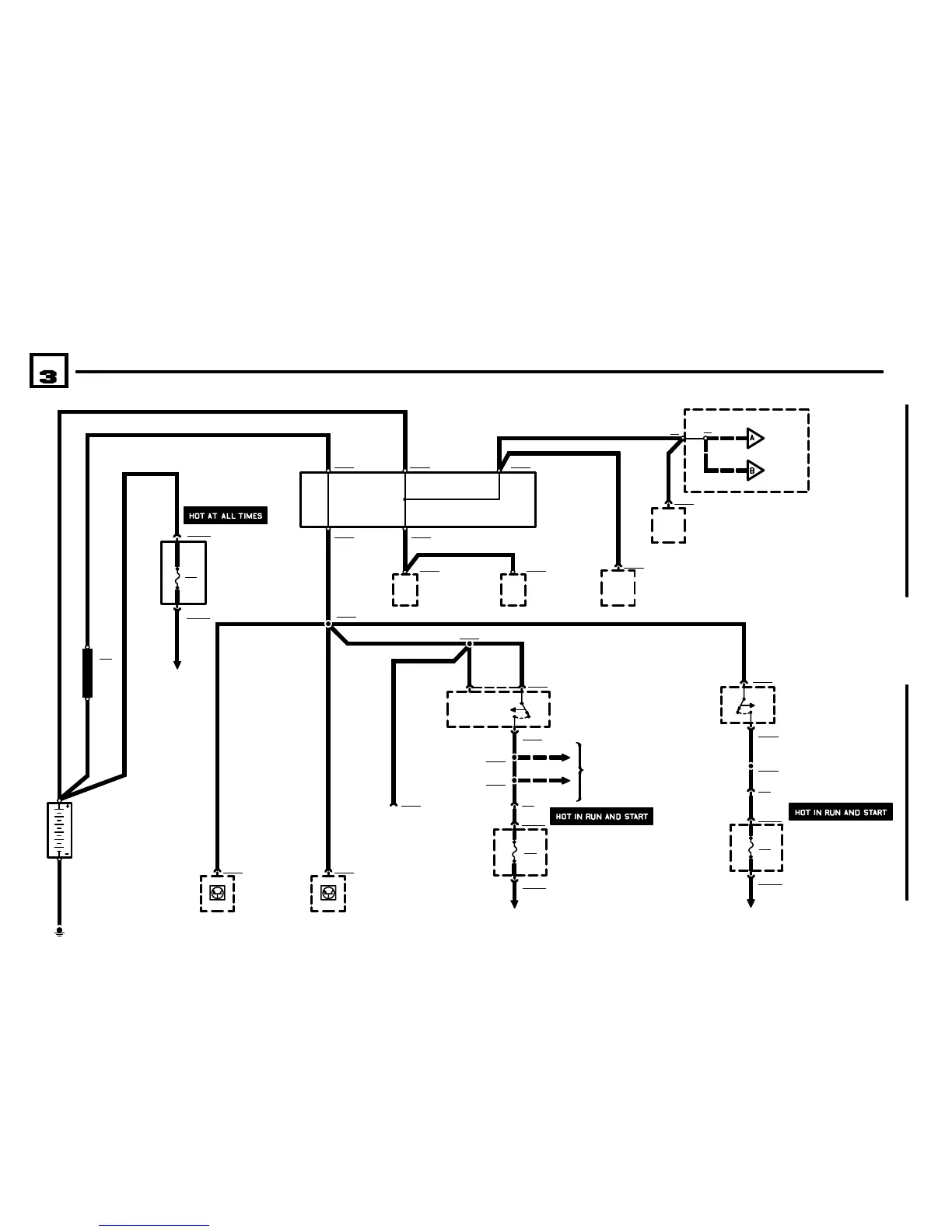
POWER DISTRIBUTION
03/00
0670.2Ć
1999
01
323i, 328i, M3
70 RT 6 RT
6 RT
F97
80A
8
X0
30
B+
X6512
X6509
M6510
STARTER
G6509
GENERATOR
16 RT
1240.0
1230.0
10 RT
25 RT
G6430
B+ JUMP START
JUNCTION POINT
X6433X6430
X6432X6431
.5 RT .5 RT
2 X6304
K6304
SECONDARY AIR
PUMP RELAY
1210.17
6 RT
X6411
X6437
26 X8500
A8500
TRANSMISSION
CONTROL MODULE
(EGS)
2460.2
26 X6000
A6000
ENGINE CONTROL
MODULE (DME)
1210.17
6
K6300
ENGINE CONTROL
MODULE RELAY
X6300
X6412
4 RT
4 RT 4 RT
4 RT
1.5 RT
2
1
F49
20A
X19564
X19564
4 RT
4 RT
P96
AUXILIARY FUSE
BOX IN LUGGAGE
COMPARTMENT
6 X6326
K6326
UNLOADER RELAY,
TERMINAL 15
2.5 RT
0670.2-02
P90
FRONT POWER
DISTRIBUTION BOX
X2
0670.2-07
FUSE DETAILS
0670.3
G1
BATTERY
1210.17
14 X6002
D100
DATA LINK
CONNECTOR
2.5 RT
6 X6301
K6301
CYL. 16 FUEL
PUMP RELAY
F18
15A
16
X10016
13 X20
15 X10016
2.5 GN/VI
P90
FRONT POWER
DISTRIBUTION BOX
FUSE DETAILS
0670.3
2 X6301
1.5 GN/VI
2.5 GN/VI
1.5 GN/VI
X8007
30
F50
5A
2
X10273
2 X6300
2.5 RT/WS
1.5 RT/WS
8 X20
1 X10273
1 RT/WS/GE
X6822
FUSE DETAILS
0670.3
87
4 RT/WS
X6821
ENGINE CONTROL SYSTEM
MS41.1 (6CYLINDER M52)
1210.17
P97
AUXILIARY FUSE
BOX