EasyManua.ls Logo

BMW E36 Coupe - Page 99

BMW E36 Coupe
383 pages
Print Icon
To Next Page IconTo Next Page
To Next Page IconTo Next Page
To Previous Page IconTo Previous Page
To Previous Page IconTo Previous Page
Loading...
X7000
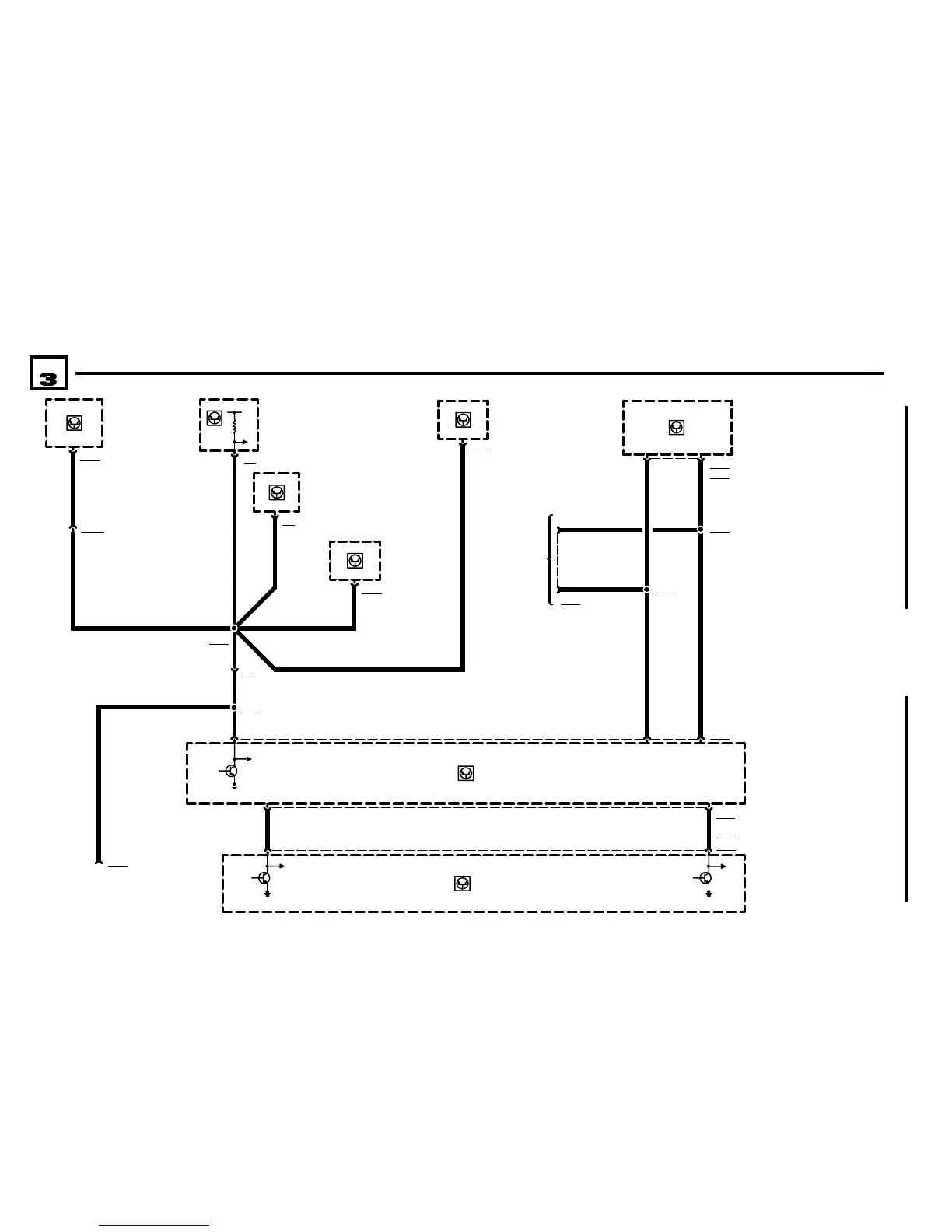
ENGINE CONTROL SYSTEM MS41.1 (6CYLINDER M52)
BMW
X16
03/00
1210.17Ć
1999
07
85 X600086
36 60 88 X6000
X6002
.5 WS/VI/GE
.35 SW
TD
A6000
ENGINE CONTROL
MODULE (DME)
.35 GE
85 86 X8500
A8500
TRANSMISSION
CONTROL MODULE
(EGS)
A7000
TRANSMISSION
CONTROL MODULE
(EGS)
18
17
.5 GN/BL
D100
DATA LINK
CONNECTOR
20
A2w
INSTRUMENT
CLUSTER
3) ENGINE SPEED
INPUT
.5 SW
20 X20
.5 SW
.5 SW
X8015
31
31
.5 SW
X1527
X10054
A115
AUTOMATIC
CLIMATE CONTROL
MODULE
6
.35 SW
.35 SW
11
X1047
31
TXD2
BMW
BMWBMW
X60021
60 X850088
D100
DATA LINK
CONNECTOR
A8500
TRANSMISSION
CONTROL MODULE
(EGS)
A7000
TRANSMISSION
CONTROL MODULE
(EGS)
3
X6860
.5 GN/BL .5 WS/VI/GE
X22
A8
CRUISE CONTROL
MODULE
(TEMPOMAT)
8
.35 SW
X1659
A836
ELECTRONIC
IMMOBILIZER
CONTROL MODULE
(EWS II)
12
.35 SW
X1171
A52
SLIP CONTROL
MODULE
(ABS/ASC)
41
.5 SW
.5 GN/BL
R
.5 SW
.5 WS/VI/GE
PGSP
CAN LOW CAN HIGH
X6869
X7000