EasyManua.ls Logo

Bobcat 743 - Page 63

Bobcat 743
78 pages
Print Icon
To Next Page IconTo Next Page
To Next Page IconTo Next Page
To Previous Page IconTo Previous Page
To Previous Page IconTo Previous Page
Loading...
o
()
E-1333
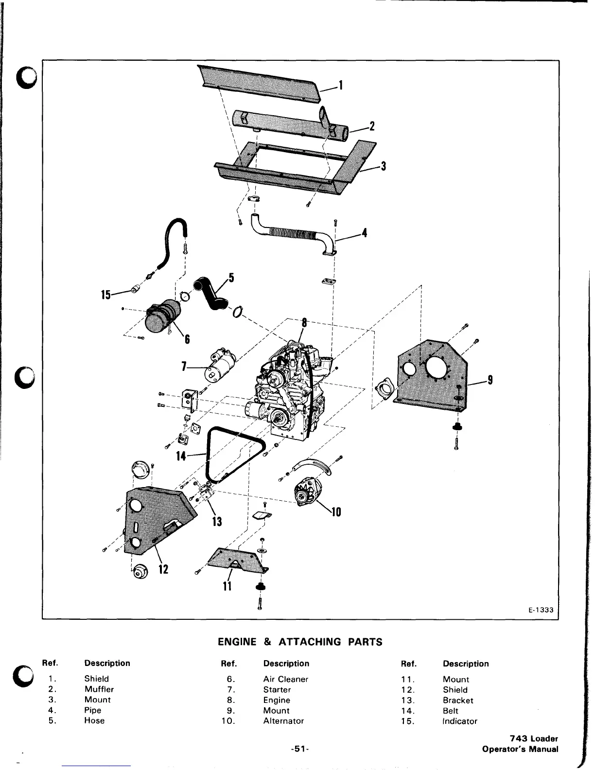
ENGINE & ATTACHING
PARTS
0
Ref_
Description
Ref.
Description
Ref. Description
1.
Shield
6.
Air
Cleaner
11 .
Mount
2.
Muffler
7.
Starter
12.
Shield
3.
Mount
8.
Engine
13.
Bracket
4.
Pipe
9.
Mount
14.
Belt
5.
Hose
10.
Alternator
15.
Indicator
743
Loader
-51-
Operator's Manual

Related product manuals