EasyManua.ls Logo

Bobcat 743 - Page 64

Bobcat 743
78 pages
Print Icon
To Next Page IconTo Next Page
To Next Page IconTo Next Page
To Previous Page IconTo Previous Page
To Previous Page IconTo Previous Page
Loading...
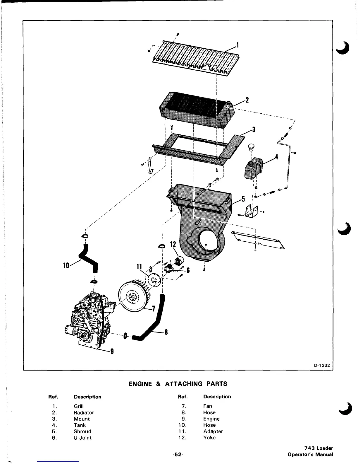
ENGINE &
ATTACHING
Ref. Description
Ref.
1 . Grill
7.
2.
Radiator
8.
3.
Mount
9.
4.
Tank
10.
5. Shroud 11 .
6.
U-Joint
12.
-52-
PARTS
Description
Fan
Hose
Engine
Hose
Adapter
Yoke
---
---
g
I
-lit
I
I
D-1332
743
Loader
Operator's
Manual

Related product manuals