EasyManua.ls Logo

BodyCraft GXP - Page 3

BodyCraft GXP
9 pages
Print Icon
To Next Page IconTo Next Page
To Next Page IconTo Next Page
To Previous Page IconTo Previous Page
To Previous Page IconTo Previous Page
Loading...
,
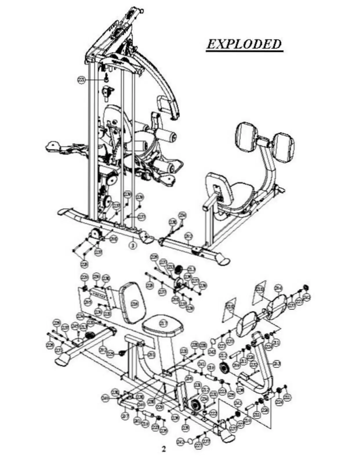
EXPLODED

Other manuals for BodyCraft GXP

Related product manuals