EasyManua.ls Logo

Boeing 747 - Page 52

Boeing 747
96 pages
Print Icon
To Next Page IconTo Next Page
To Next Page IconTo Next Page
To Previous Page IconTo Previous Page
To Previous Page IconTo Previous Page
Loading...
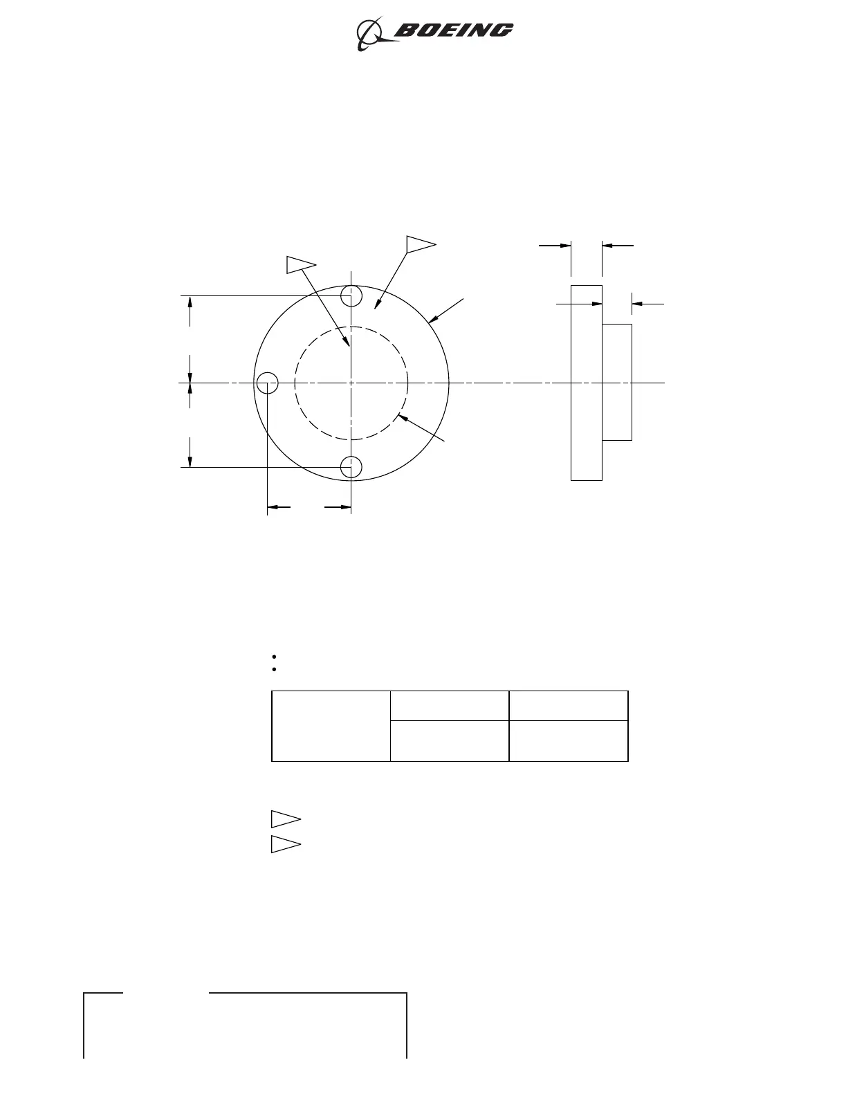
2
1
1
2
(23.6)
0.93
R
3
LOCATIONS
HOLE
C
WILL
BREAK
THE
OUTER PLANE
OF
THE
GUIDE
ALL
DIMENSIONS
ARE
IN
INCHES
(mm
IN
PARENTHESES)
HOLE
DIAMETER
FOR
A,
B
AND
C =
0.191 (4.9)
(13.5)
0.53
R
NDT
4115G
A
C
B
(7.6)
0.30
MARK
LETTERS
A, B,
AND
C
AS
SHOWN
MATERIAL:
DELRIN,
LUCITE
OR
EQUIVALENT
TOLERANCES:
_____
NOTES:
X.XXX
=
±
0.005
X.XX
=
±
0.010
INCHES:
MILLIMETERS:
X.XX
=
±
0.1
X.X
=
±
0.25
(20.3)
0.80
(21.3)
0.84
(20.8)
0.82
(7.6)
0.30
MARK
TRANSDUCER
GUIDE
NDT4115G
AS
SHOWN
2130662 S0000459172_V1
Transducer Guide NDT4115G
Figure 3
747
NONDESTRUCTIVE TEST MANUAL
PART 4 54-30-07
Page 8
Nov 15/2015D6-7170
ECCN 9E991 BOEING PROPRIETARY - Copyright © Unpublished Work - See title page for details
EFFECTIVITY
ALL

Other manuals for Boeing 747

Related product manuals