EasyManua.ls Logo

Boeing 747 - Page 90

Boeing 747
96 pages
Print Icon
To Next Page IconTo Next Page
To Next Page IconTo Next Page
To Previous Page IconTo Previous Page
To Previous Page IconTo Previous Page
Loading...
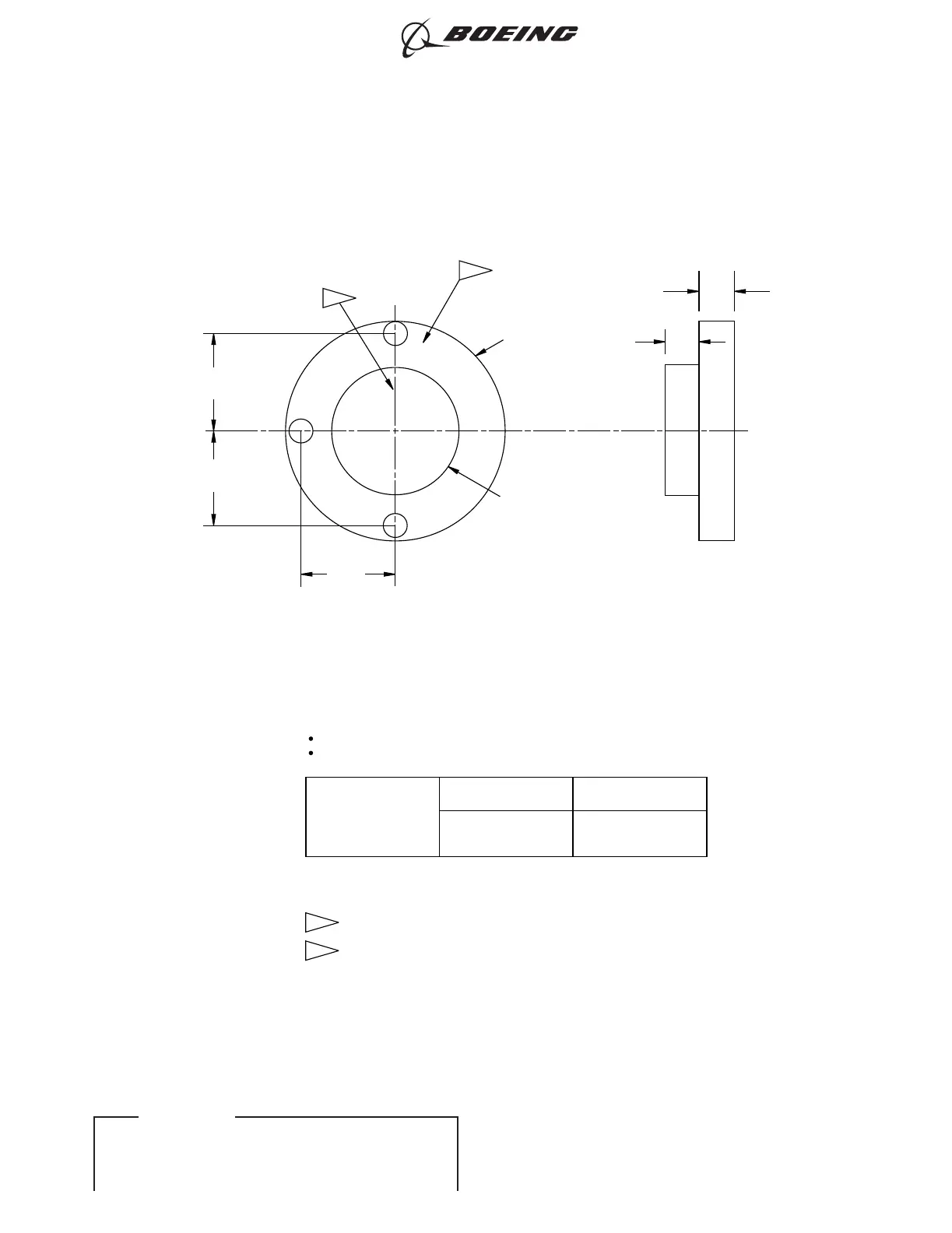
MARK
TRANSDUCER
GUIDE
NDT4120G1
AS
SHOWN
0.985
R
0.84
(21.3)
(22.6)
0.89
0.82
(20.8)
X.XXX
=
±
0.005
X.XX
=
±
0.010
X.XX
=
±
0.1
X.X
=
±
0.25
HOLE
DIAMETER
FOR
A,
B
AND
C =
0.191 (4.9)
TOLERANCES:
_____
NOTES:
C
(25.0)
0.640
R
(16.3)
NDT
4120G1
MATERIAL:
DELRIN,
LUCITE
OR
EQUIVALENT
MARK
LETTERS
A, B,
AND
C
AS
SHOWN
HOLE
C
WILL
BREAK
THE
OUTER PLANE
OF
THE
GUIDE
INCHES
MILLIMETERS
ALL
DIMENSIONS
ARE
IN
INCHES
(mm
IN
PARENTHESES)
(7.6)
0.30
(7.6)
0.30
3
LOCATIONS
2
1
1
2
A
B
2131082 S0000459194_V1
Transducer Guide NDT4120G1
Figure 4
747
NONDESTRUCTIVE TEST MANUAL
PART 4 54-30-10
Page 10
Nov 15/2015D6-7170
ECCN 9E991 BOEING PROPRIETARY - Copyright © Unpublished Work - See title page for details
EFFECTIVITY
ALL

Other manuals for Boeing 747

Related product manuals