EasyManua.ls Logo

Bosch EP030 - Electric Heat Wiring Diagrams

Bosch EP030
44 pages
Print Icon
To Next Page IconTo Next Page
To Next Page IconTo Next Page
To Previous Page IconTo Previous Page
To Previous Page IconTo Previous Page
Loading...
42 | Wiring Diagrams EP Series
EP Series
8733953041 (2019/01)
Subject to change without prior notice
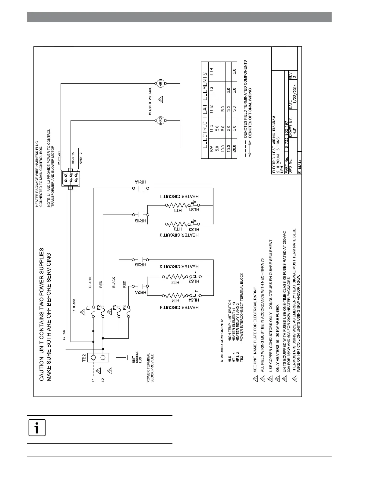
Figure # 28
FOR REFERENCE ONLY Actual unit wiring
may vary from this example. Always refer to the
wiring diagram attached to the unit.

Related product manuals