EasyManua.ls Logo

Bpt HEV/301 - Page 34

Bpt HEV/301
36 pages
Print Icon
To Next Page IconTo Next Page
To Next Page IconTo Next Page
To Previous Page IconTo Previous Page
To Previous Page IconTo Previous Page
Loading...
14
SE 302VT01.1-B
B
SW2
SW3
5
SW0
XDV/304
IT/300
A
IN
TL
B
SW4
3
4
IN
IM/
T
IA/S
CP
SW3
B
YKP/300+YV
M1
YVM/300
SW3
SW1
-
B
M1
+
CP
1
2
OUT
T
bu
au
be
ae
SW1
+
-
SE 302VT01.1
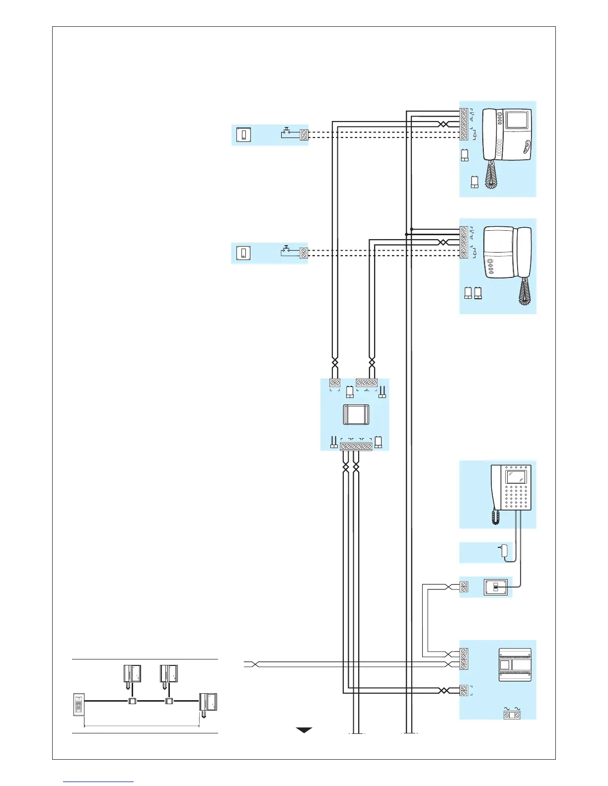
BEELDDEURTELEFOONINSTAL-
LATIES VOOR MEERGEZINSWO-
NINGEN (SYSTEEM X2) MET 1
INGANG EN TELEFOONINTER-
FACE IT/300 (GECENTRALISEER-
DE VOEDING VAN DE BEELD-
DEURTELEFOONS).
SE 302VT01.1-A
100 m max
XDV/304XDV/304

Related product manuals