EasyManua.ls Logo

Bpt VA/01 - Page 56

Bpt VA/01
Print Icon
To Next Page IconTo Next Page
To Next Page IconTo Next Page
To Previous Page IconTo Previous Page
To Previous Page IconTo Previous Page
Loading...
B
VA/01
+12V
M2
+
-
B IN1
B IN2
B IN3
B OUT
DVC/01
-
-
-
M2
12V
+
-
M1
B OUT
+
-
M1
B OUT
DVC/01
-
-
-
M2
12V
V+
V–
+
+
-
B
-
V4
-
V3
-
V2
V1
-
VSC/01
Le
L2
L1
Стр. 8 - Руководство FB00353-RU - вер. 1 - 12/2015 - © CAME S.p.A.
Все данные, содержащиеся в этой инструкции, могут быть изменены в любое время и без предварительного уведомления.
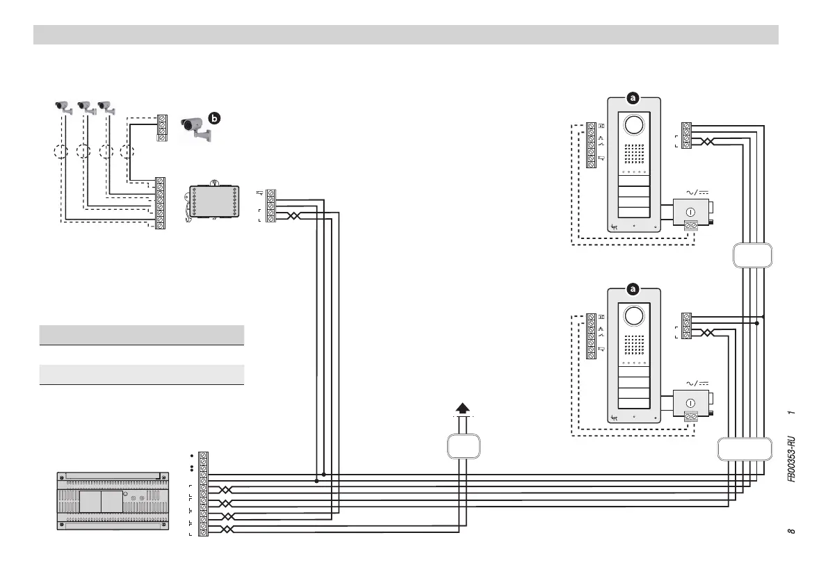
ВАРИАНТЫ СИСТЕМЫ С VA/01
Многоквартирная система с 󱤎 2 вызывными панелями и 󱤏 4 отдельными видеокамерами.
К контактам IN шин в
направлении абонентских
устройств.
Допустимые расстояния с кабелем
VCM/2D
Сеть
L1, L2 100
L1 + L2 200

Other manuals for Bpt VA/01

Related product manuals