EasyManua.ls Logo

Bpt VA/01 - Page 58

Bpt VA/01
Print Icon
To Next Page IconTo Next Page
To Next Page IconTo Next Page
To Previous Page IconTo Previous Page
To Previous Page IconTo Previous Page
Loading...
2
VA/01
4
VA/01
2
2
4
VSE/301
2
4
VSE/301 VSE/301
VA/01
A A B
Стр. 10 - Руководство FB00353-RU - вер. 1 - 12/2015 - © CAME S.p.A.
Все данные, содержащиеся в этой инструкции, могут быть изменены в любое время и без предварительного уведомления.
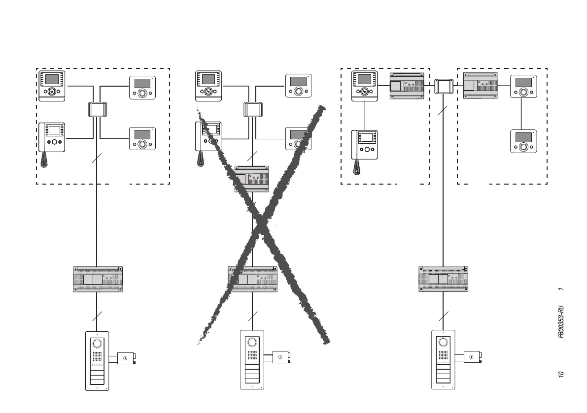
VA/01 допускает наличие только одной группы интеркома.
При возникновении потребности в добавлении других групп интеркома необходимо установить для каждой группы селектор VSE/301 перед
распределителем видеосигналов. Невозможно одновременно конфигурировать группу интеркома с VA/01 и другие группы с VSE/301.

Other manuals for Bpt VA/01

Related product manuals