EasyManua.ls Logo

BRADEN PCD24B - Recommended Planetary Gear Oil; Unit Weights

Default Icon
24 pages
Print Icon
To Next Page IconTo Next Page
To Next Page IconTo Next Page
To Previous Page IconTo Previous Page
To Previous Page IconTo Previous Page
Loading...
6
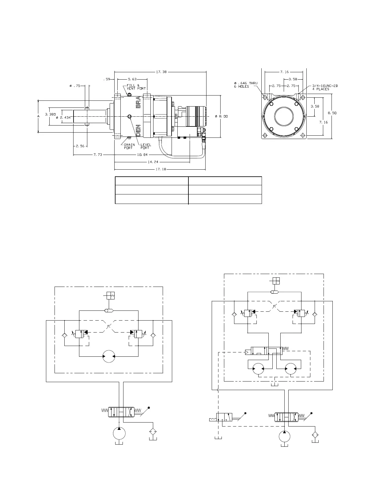
TYPICAL INSTALLATION DIMENSION DRAWINGS
Mounting dimensions for all units are the same. Drive shown below has the 088 motor option. Consult publication
PB-215 for other motor dimensions and performance data.
HYDRAULIC CIRCUITS
Dimension A
Standard Unit 4.75 in. diam.
High Capacity Option 6.00 in. diam.
DRIVE CONTROL CIRCUIT
SINGLE SPEED MOTOR
DRIVE CONTROL CIRCUIT
2-SPEED MOTOR
DRIVE
BRAKE
DRIVE
BRAKE
MANUAL
SOLENOID