EasyManua.ls Logo

BRAHMA RE3 - Construction; Directions for Installation; Electrical Installation; Checking at Start

BRAHMA RE3
4 pages
Print Icon
To Next Page IconTo Next Page
To Next Page IconTo Next Page
To Previous Page IconTo Previous Page
To Previous Page IconTo Previous Page
Loading...
4071_r06 3/4
CONSTRUCTION
The plastic material made enclosure protects the control
from possible damages depending on crashes, openings,
dust deposit, contact with outside ambient.
Two LEDs of different colour, GREEN for power on and
RED for flame on, fitted on the upper side of the enclosure,
permit an immediate identification of the state of burner
and control; a version without signalling LEDs is also
available.
DIRECTIONS FOR INSTALLATION
Connect and disconnect the control only with supply off.
The control can be assembled in every position.
Avoid exposure to dripping water.
Ventilation with the lowest temperature ensures the
longest life of the control.
Make sure that you are using the correct type and code
before installing or replacing the control.
ELECTRICAL INSTALLATION
Every contact must be protected with a fuse of the fast
blow type suitable to the loads connected;
Before starting the control, check cables and
connections carefully (see Fig.5). Wrong
connections can damage the control and
compromise the safety of the application;
Avoid placing the detection cable close to power or
ignition cables;
Use a detection cable as short as possible (max.
recommended length <5m);
A suitable degree of protection must be guaranteed;
The relevant electrical safety standards must be
respected.
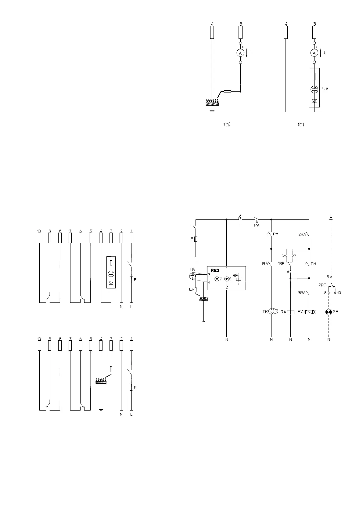
Fig.5
CHECKING AT START
Always check the control before the first start and also after
a long period of system off. Before any ignition attempt
make sure that the combustion chamber is free from gas.
Then check that the level of the flame signal is sufficient
(see Fig.6a and 6b for the measuring).
Fig.6
Fig.7 shows the diagram suitable to the installation of a
semiautomatic system for gas burners. For the flame
detection, both an ionization electrode or a phototube can
be used.
Acting on the manual start button PM (with two contacts
normally open) supply is given to the TR ignition
transformer and the EV 1 gas valve; the manual pressure
on the button must be kept until the flame is built and
stable.
APPLICATION EXAMPLES
Fig.7
By releasing the button PM, the ignition transformer is
turned off and the operation continues until one of the
following situations occurs:
- action on the manual stop button PA;
- intervention of the thermostat T;
- flame failure.
In any situation, the operation can be reset only by manual
intervention on start button PM.
In the same picture is also represented a duty example of
the second available contact, to detect the flame in
distance.
Fig.8 represents two connection diagrams for using the
RE3 flame detector with the control box for automatic gas
burners, model CM391 belonging to the EUROBOX series
(see the relevant leaflet).
DETECTION
PROBE
BLUE
NOTE1
NC
COM
NA
NA
COM
NC
5A
5A
UV
MADE IN ITALY
BRAHMA TYPE RE3
NOTE1: WIRE MARKED WITH NUMBER 8
DET. PROBE
NC
COM
NA
NA
COM
NC
5A
5A
BRAHMA TYPE RE3