EasyManua.ls Logo

BRAHMA RE3 - Notes About Product Disposal; Attention

BRAHMA RE3
4 pages
Print Icon
To Previous Page IconTo Previous Page
To Previous Page IconTo Previous Page
Loading...
4/4 4071_r06
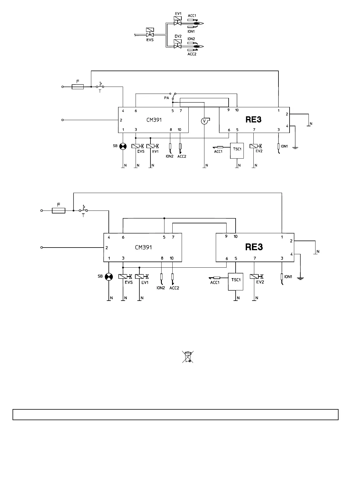
The diagram in Fig.8a differs from the one in Fig.8b for the
presence of fan control and air pressure switch. This
connection permits the ignition of two burners in sequence,
with cross checking of the “flame on” state. A contact of the
internal relay of RE3 is used to check the efficiency of the
detector to prevent the beginning of the ignition cycle if the
detector doesn’t operate correctly.
The ignition of burner 2 occurs only after the ignition of
burner 1 and, as the flame detection is cross - checked
between CM391 and RE3, the turning off of one burner
causes also the immediate turning off of the other one.
BRAHMA S.p.A.
Via del Pontiere, 31
37045 Legnago (VR)
Tel. +39 0442 635211 - Telefax +39 0442 25683 22/06/2017 Subject to amendments without notice
http://www.brahma.it
E-mail : brahma@brahma.it
(a)
BURNER 1
BURNER 2
LIVE
NEUTRAL
(b)
Fig.8
ATTENTION
-
> Company Brahma S.p.A. declines
any responsibility for any damage resulting from the
Customer's interfering with the device.
.
LIVE
NEUTRAL
NOTES ABOUT PRODUCT DISPOSAL The device
contains electronic components and cannot therefore be
disposed of as normal household waste. For the disposal
procedure, please refer to the local rules in force for special
waste.