EasyManua.ls Logo

Braun D461R1 - Function Diagram and Connections; Function Diagram and Connection D461 R1.11

Braun D461R1
37 pages
Print Icon
To Next Page IconTo Next Page
To Next Page IconTo Next Page
To Previous Page IconTo Previous Page
To Previous Page IconTo Previous Page
Loading...
D461R1-Manual_EN_Rev01 2022_JAN_18 Page 30 to 37
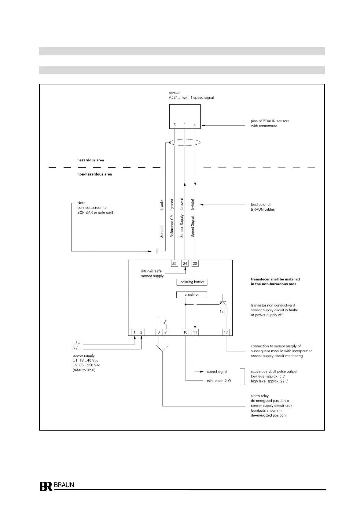
3 Function Diagram and Connections
3.1 Function Diagram and Connection D461R1.11
Figure 22: Function Diagram and Connection D461R1.11